三端穩壓管-三端穩壓管7805引腳判斷技巧及引腳圖解析-KIA MOS管
信息來源:本站 日期:2018-08-21
本文主要是講三端穩壓管7805引腳如何判斷及引腳圖解析,在78 ** 、79 ** 系列三端穩壓器中最常應用的是TO-220 和TO-202 兩種封裝。這兩種封裝的圖形以及引腳序號、引腳功能如附圖所示。
圖中的7805引腳號標注方法是按照引腳電位從高到底的順序標注的。這樣標注便于記憶。引腳①為最高電位,③腳為最低電位,②腳居中。從圖中可以看出,不論正壓還是負壓,②腳均為輸出端。對于78**正壓系列,輸入是最高電位,自然是①腳,地端為最低電位,即③腳,如附圖所示。對與79**負壓系列,輸入為最低電位,自然是③腳,而地端為最高電位,即①腳,如附圖所示。
引腳序號、引腳功能圖示此外,還應注意,散熱片總是和最低電位的第③腳相連。這樣在78**系列中,散熱片和地相連接,而在79**系列中,散熱片卻和輸入端相連接。

7805是常用的三端穩壓器,一般使用的是TO-220封裝,能提供DC 5V的輸出電壓,應用范圍廣,內含過流和過載保護電路。帶散熱片時能持續提供1A的電流,如果使用外圍器件,它還能提供不通的電壓和電流。

7805是常用的三端穩壓器件,顧名思義05就是輸出電壓為5v,還可以微調,7805輸出波紋很小。

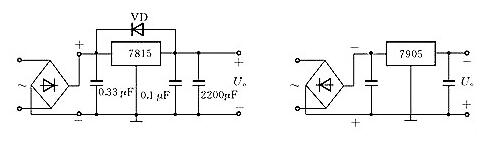
(1) 集成三端穩壓器根據穩定電壓的正、負極性分為78×××,79×××系列。附圖給出了正、負穩壓的典型電路。
〈正、負穩壓7805電路〉
(2) 三端穩壓器的型號規格和管腳分布。

例如:78M05三端穩壓器可輸出+5 V、0.5 A的穩定電壓;7912三端穩壓器可輸出 12V、1A的穩定電壓。
(3) 外形及管腳分布,如附下圖所示。

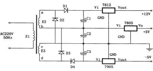
由7805,7905,7812組成的特殊的線性穩壓電源。
如圖所示為一種特殊的電源電路。該電路雖然簡單,但可以從兩個相同的次級繞組中產生出三組直流電壓:+5V、-5V和+12V。其特點是:D2、D3跨接在E2、E3這兩組交流電源之間,起著全波整流的作用。

7800系列三端穩壓集成電路廣泛用于各種電子電器電路中用作電源穩壓,它的輸出電壓是固定的,但如果對外圍電路稍作改動就可以是一個不錯的連續可調穩壓電源,用作實驗檢修之用完全可行。
制作之前需了解:7800系列三端穩壓器按輸出電流區分有三種系列,分別是78L00系列最大輸出電流0.1A;78M00系列最大輸出電流0.5A;7800系列最大輸出電流1.5A。三端穩壓器輸入輸出壓差要大于2V。7805-7818的最高輸入電壓不能超過35V,7820-7824最高輸入電壓不能超過40V。

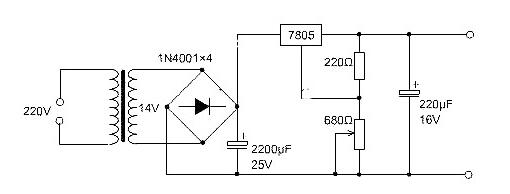
7805制作的5V-12V連續可調穩壓電源
這里選用7805制作了一個5V~12V連續可調的直流穩壓電源實例。圖中R1、R2的取值決定了輸出電壓的可調范圍,按照圖示取值可在5~12V穩壓范圍內實現輸出電壓連續可調。
最高輸出電壓受三端穩壓器最大輸入電壓及最小輸入輸出壓差的限制,7805最高輸入電壓為35V,輸入輸出壓差要保持在2V以上,因此該電路中由于穩壓器的直流輸入電壓約為15V,所以該電路的輸出電壓最大值設定為12V。
聯系方式:鄒先生
聯系電話:0755-83888366-8022
手機:18123972950
QQ:2880195519
聯系地址:深圳市福田區車公廟天安數碼城天吉大廈CD座5C1
請搜微信公眾號:“KIA半導體”或掃一掃下圖“關注”官方微信公眾號
請“關注”官方微信公眾號:提供 MOS管 技術幫助