USB PD大功率快充移動電源中MOS管的應用-KIA MOS管
信息來源:本站 日期:2021-09-28
消費電子市場的火爆場面拉動了快充的內需,而快充的興起也帶動了MOSFET的需求增長。
用于整流同步的MOS管,可以保證在快充電源提高電壓來達到高電流高功率充電時的用電安全性。而低電壓高電流充電的“閃充”對整流同步的MOS管要求更為嚴苛,MOS管用量也呈上升趨勢。
圖數據源自未來智庫
目前鋰電材料及儲能研究技術步伐仍無法跟上人民依賴電子設備程度的增長,電子設備的續航問題沒有大的突破性進展,快充的興起就顯得尤為重要。市場為了解決各家不同快充技術的使用局限性,推出USB PD協議來統一快充技術。
2020年5月,Wei YongXiang設計了一款符合USB PD協議的快充移動電源,采用三段式充電和四開關管升降壓電路,實現了兼容性強的大功率快充功能,充放電效率大于等于93.3%,具有外圍器件需求小,電轉換效率率高,延長鋰電池壽命等優點。
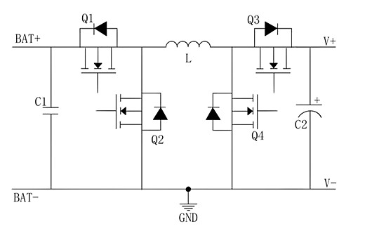
USB PD快充移動電源結構圖
主電路設計參數
最大充電功率:90W(20W/4.5A)
最大輸出功率:65W(20V/4.5A)
電池組:四節鋰電池串聯
控制核心:數字電源管理SOC芯片EDP3010
電感L>13.8μF
電容:22μF貼片電容*3,35V耐壓120μF固態電容
開關電源電路采用四開關Buck-Boost電路結構
四開關升降壓主電路
MOS管的選擇條件:
承受耐壓20V
承受最大電流>9A
導通電阻較小
KIA半導體專業生產MOS管場效應管廠家(國家高新技術企業)成立于2005年,公司成立初期就明確立足本土市場,研發為先導,了解客戶需求,運用創新的集成電路設計方案和國際同步研發技術,結合中國市場的特點,向市場推出了BIPOLAR,CMOS,MOSSFET等電源相關產品,產品的穩定性,高性價比,良好的服務,以及和客戶充分的技術,市場溝通的嚴謹態度,在移動數碼,LCE,HID,LED,電動車,開關電源,逆變器,節能燈等領域深得客戶認可。

KIA半導體是一家致力于功率半導體電子元器件研發與銷售的高新技術型企業,竭誠服務全球開關電源、綠色照明、電機驅動、汽車電子、新能源充電樁、太陽能設備、數碼家電、安防工程等行業長期合作伙伴,主動了解客戶需求,不斷研發創新,為客戶提供綠色、節能、高效的功率半導體產品。

KIA半導體持續改進,永不止步期待與您一起努力向市場提供,更高性價比產品,共同提升核心競爭力。
聯系方式:鄒先生
聯系電話:0755-83888366-8022
手機:18123972950
QQ:2880195519
聯系地址:深圳市福田區車公廟天安數碼城天吉大廈CD座5C1
請搜微信公眾號:“KIA半導體”或掃一掃下圖“關注”官方微信公眾號
請“關注”官方微信公眾號:提供 MOS管 技術幫助
