【電子精選】限流軟啟動電路設計-KIA MOS管
信息來源:本站 日期:2022-08-02
當使用固定的電阻限流時,電流大小受V_Cin和V_CL的差影響,安全上電瞬間的電流是最大的,隨后電流按指數曲線逐漸變小。電阻值需要保證安全上電瞬間,最大電流也不會超過設定值I_SET。
隨后的電流就更小于I_SET。這固然安全,但是也會造成電容CL充電過慢,后一級電路得到足夠電壓用時太長。
如果可以把電流始終限制在I_SET以下,可以去掉限流電阻,讓電流保持略小于I_SET,快速充電。
如下圖,電流曲線的積分為V_CL,左右兩圖的陰影面積大小相同,可以看出,電容CL得到相同的電壓時,限流電路充電時間t2明顯小于固定電阻充電時間t1。
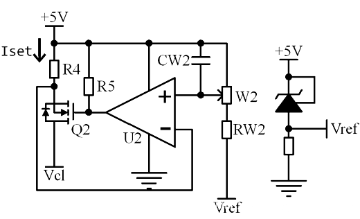
在電源與PMOS之間串聯一個小電阻R4,就可以得到限流電路:
設R4電阻值為R,流過電阻的電流為I。把比較器的反相輸入端接在R4與PMOS之間,則反相輸入端的電壓:
同相輸入端接設置電壓V_SET。開關閉合瞬間,I非常大,u_N很小,u_P>u_N,PMOS不導通。由于PMOS不導通,所以I幾乎為0,u_N≈V_CC,u_P<u_N,PMOS導通。此時I非常大,u_N很小,u_P>u_N,PMOS不導通。
以此類推,可以看出PMOS在導通與截止狀態間迅速切換,控制著電流的大小。令u_N=u_P,可得設定電流與參考電壓的關系:
限流軟啟動電路比電阻+并聯開關軟啟動方案為電容CL充電的速度快,由于R4的存在,也略微增大了穩態時的能量損耗,此電阻的阻值很小,0.2歐姆。
下圖是它的效果波形截圖,黃色是電流采樣電路的輸出,通過公式I=2V可以計算出浪涌電流的大小。藍色是負載電容的電壓。
電流不超過2A,保持在最大值約11mS,然后極速下降。電流在最大值期間,VCL勻速上升。
如下圖是限流軟啟動電路與電阻+并聯開關軟啟動電路配合使用的效果,用限流的方式代替固定電阻,用電阻+并聯開關消除電阻上穩態時的能量損耗。
聯系方式:鄒先生
聯系電話:0755-83888366-8022
手機:18123972950
QQ:2880195519
聯系地址:深圳市福田區車公廟天安數碼城天吉大廈CD座5C1
請搜微信公眾號:“KIA半導體”或掃一掃下圖“關注”官方微信公眾號
請“關注”官方微信公眾號:提供 MOS管 技術幫助
免責聲明:本網站部分文章或圖片來源其它出處,如有侵權,請聯系刪除。
