【圖文精選】倍壓整流電路工作原理詳解-KIA MOS管
信息來源:本站 日期:2022-08-08
倍壓整流電路是利用二極管的導向作用,使電容器進行充放電,幾個電容器的電壓相互疊加起來,就能獲得較高的電壓輸出了,所以,倍壓整流電路在電路中常用來升高電壓。
倍壓整流電路的工作原理,先來看一個二倍壓整流電路。
需要注意的是,倍壓整流電路輸入的是交流電,輸出的是直流電,一般是使用升壓變壓器將電壓升高,升壓后再輸入到倍壓整流電路。
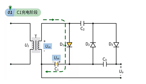
為方便分析,把變壓器輸出的電壓分成正半周和負半周進行分析,這里把變壓器輸出電壓的峰值電壓記為Um,不考慮二極管導通壓降的情況下,在交流電正半周到來時,C1充滿電后兩端電壓為Um。
如下圖所示:
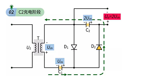
而在負半周時,變壓器電壓與電容C1電壓疊加起來給C2進行充電,C2充滿電后兩端電壓為2Um。如下圖所示:
這就實現了兩倍電壓的輸出了,需要注意的是,如果考慮到二極管的管壓降,或者在交流電輸入頻率太低時通過電容會有一定阻抗情況下,電路輸出電壓會比理想中的電壓要小。
如果在上圖的二倍壓整流電流的基礎上再增加二極管和電容器,就可以實現輸出電壓的增加,比如增加多一個二極管和電容器,就變成了三倍壓整流電路。
下面一起來分析一下這個電路的工作過程吧。在第一個交流電正半周到來時,電容C1充滿電,兩端電壓為Um,如下圖所示:
在第一個負半周到來時,變壓器和電容C1的電壓進行相互疊加,使電容C2充滿電,兩端電壓為2Um,如下圖所示:
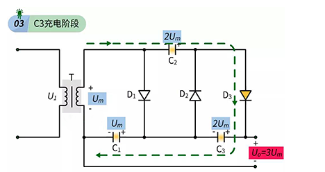
在第二個正半周到來時,變壓器電壓、電容C2電壓、電容C1的電壓進行相互疊加(因為電容C1的電壓方向是反的,所以最后會抵消掉一個Um),使電容C3充滿電,其兩端電壓為2Um,如下圖所示,
這樣一來,負載上得到的電壓就是電容C1與電容C3疊加起來的電壓了,電壓為3Um,實現了三倍升壓。
如果在后面繼續增加二極管和電容器,理論上還能獲得更高電壓的輸出。
聯系方式:鄒先生
聯系電話:0755-83888366-8022
手機:18123972950
QQ:2880195519
聯系地址:深圳市福田區車公廟天安數碼城天吉大廈CD座5C1
請搜微信公眾號:“KIA半導體”或掃一掃下圖“關注”官方微信公眾號
請“關注”官方微信公眾號:提供 MOS管 技術幫助
免責聲明:本網站部分文章或圖片來源其它出處,如有侵權,請聯系刪除。
