電壓 電流采樣電路、放大倍數計算-KIA MOS管
信息來源:本站 日期:2022-09-27
FOC運算需要用到電機的線電流值和母線電壓值,所以ADC采樣功能必不可少。但是單片機的IO口輸入電壓范圍是0~3.3V,所以為了保證安全,需要把測量電壓保持在這個范圍之內。
計算運放電路的放大倍數之前,需要先明確幾個模電的概念-------虛短、虛斷。
虛短:運放的兩個輸入端視為同等電位;
虛斷:因為流入運放輸入端的電流往往不足1uA,所以輸入端可以視為等效開路。
電壓采樣電路如上圖所示。
電壓放大增益計算
假設上圖中Vcc為48V,R1 = 47K,R2 = 1K。則根據電阻分壓,Vi = 48 * (1/48)=1V。
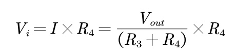
因為虛短:V+ = V-。 (式1)
因為虛斷:反向輸入端無電流輸入輸出,通過R3和R4的電流相等,假設電流為I,則由歐姆定律得:
I = Vout / (R3 + R4)。
由圖和(式1)知:Vi = V+ = V- = R4上的分壓。
即:Vi = I * R4
即:
Vi已知,只要保證Vout在0~3.3V之間就可以進行電壓的采集,進而對電路中電阻阻值進行設置。
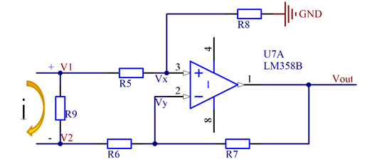
電流采樣電路圖如上圖所示。
電流放大增益計算
ADC采集電流實際上還是采集電壓,如上圖,R9就是電流采樣電阻。采集R9兩端電壓,然后根據歐姆定律得到電流值。
先假設:V = i * R9。 (式1)
由虛斷知:運放輸入端沒有電流流過,則流過R5和R8的電流相等;R6和R7的電流相等。
則有如下公式:
因為電流范圍已知,所以V就已知,然后R5和R6相等(自由設置),R8和R7相等(自由設置)。
只要保持Vout在0~3.3V之間,就可以對電路電阻進行設置。
聯系方式:鄒先生
聯系電話:0755-83888366-8022
手機:18123972950
QQ:2880195519
聯系地址:深圳市福田區車公廟天安數碼城天吉大廈CD座5C1
請搜微信公眾號:“KIA半導體”或掃一掃下圖“關注”官方微信公眾號
請“關注”官方微信公眾號:提供 MOS管 技術幫助
免責聲明:本網站部分文章或圖片來源其它出處,如有侵權,請聯系刪除。
