MOSFET電動汽車充電樁應用【電路設計】-KIA MOS管
信息來源:本站 日期:2022-12-16
采用恒流/恒壓和脈沖充電相結合的充電樁系統
模塊設計框架圖
該雙模式充電樁主要技術參數:
輸入電壓:AC 220V/50Hz
輸出最大電壓:500V
輸出最大電流:10A
整機效率:≥90%
穩壓精度:≤0.5%
充電系統直流模塊
目前市場需要的直流充電樁都是大電流充電,所以應用于市場時,可以將多個樣機并聯,實現輸出大電流的效果。
主電路設計參數:
電源系統最大輸出功率5000W
整流橋最大輸出電流18.9A
整流輸出電壓311V
整流橋型號KBU3510
濾波電容:5個1000uf/450V的鋁電解電容并聯
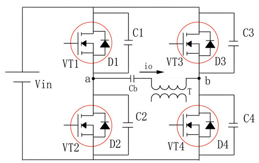
采用全橋式電路
高頻變壓器采用PC40材料的PO50/50磁芯,初級繞組10匝,次級繞組20匝
隔直電容2.2uF 的CBB電容
采用零電壓PWM變換器(ZVS)
全橋逆變電路輸出最大電壓:500V
全橋逆變電路輸出最大電流:10A
微控制器 STM32
系統主電路圖
由于主電路與微控制器STM32功率相差過大,MOS管和控制器之間必須隔離,因此每個MOS管都采用獨立的驅動電路。
全橋逆變電路中MOS管的選擇
能夠承受全橋逆變電路的最大輸出電壓500V
承受最大電流>18.9A
全橋變換器的基本電路圖
聯系方式:鄒先生
聯系電話:0755-83888366-8022
手機:18123972950
QQ:2880195519
聯系地址:深圳市福田區金田路3037號金中環國際商務大廈2109
請搜微信公眾號:“KIA半導體”或掃一掃下圖“關注”官方微信公眾號
請“關注”官方微信公眾號:提供 MOS管 技術幫助
免責聲明:本網站部分文章或圖片來源其它出處,如有侵權,請聯系刪除。
