【電路分享】直流電源的應用電路-KIA MOS管
信息來源:本站 日期:2023-01-04
1.直流電源的框圖
下圖為直流電源的框圖。
2. 半波整流
利用二極管的單向導通性,實現半波整流。
3. 全波整流
在實際電路中多采用單相全波整流電路。在整個周期內負載的電壓和電流方向始終不變,效率提高一倍。
4. 濾波電路
電容濾波:小電流負載,利用大電容的充放電時延實現濾波。
電感濾波:大電流負載;
LC濾波:各種場景。
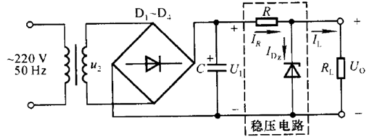
5. 穩壓管穩壓
由于電網電壓的波動,負載的電壓會有波動。又由于整流濾波電路的內阻,當負載變化時,輸出電壓也會變化。所以必須采用穩壓措施。
下圖為穩壓管電路:
在穩壓管穩壓電路中,只要保證穩壓管工作在穩壓區,即 Izmin
對任何穩壓電路都要從兩個方面考慮:電網的波動和負載的變化。這里分析一下電網的波動。
電網電壓↑ → U1↑ → Uo↑ → IDz↑ → IR↑ → UR↑ → Uo↓,實現穩壓功能。
聯系方式:鄒先生
聯系電話:0755-83888366-8022
手機:18123972950
QQ:2880195519
聯系地址:深圳市福田區金田路3037號金中環國際商務大廈2109
請搜微信公眾號:“KIA半導體”或掃一掃下圖“關注”官方微信公眾號
請“關注”官方微信公眾號:提供 MOS管 技術幫助
免責聲明:本網站部分文章或圖片來源其它出處,如有侵權,請聯系刪除。
