電容器紋波電流如何計算?詳解-KIA MOS管
信息來源:本站 日期:2023-02-17
提到電容選型,大家第一印象是額定電壓還有精度,很少會想到紋波電流這個參數,其實這個參數還是很重要的。你可能不熟悉紋波電流這個術語,你可以簡單的把它理解成通過電容器的電流的術語。
在理想情況下,當電容器安裝在直流電壓電源上時,根據電容隔直通交的特性,沒有電流會流向電容器。但是,如果電容兩端的實際電壓不是單純的直流電壓時,比如電壓有微小的波動,此時電容就會發生充放電,就會產生紋波電流。對于小功率電路,電壓變化非常小,可忽略不計,此時一般不必擔心這個紋波電流額定值。
然而,當電容對于過濾來自整流器的脈動直流電壓時,此時紋波電流這個參數就至關重要。這是因為負載電流越高,紋波電流就越大。那么,我們如何在這種條件下選擇電容器呢?
對于整流電路,大多數時候需要更大的電容才能獲得接近直線的電壓。因此,第一種選擇是考慮使用電解電容器,但是在某些紋波電流非常高的應用中,電解電容將也會出現問題,這是因為它的紋波電流較小。
在這種情況下,可以選擇薄膜電容器,這是因為薄膜電容器具有非常高的紋波電流額定值。然而,它缺點是薄膜電容器的容值較小,僅限于幾個微法拉,因此需要更多的薄膜電容器并聯。
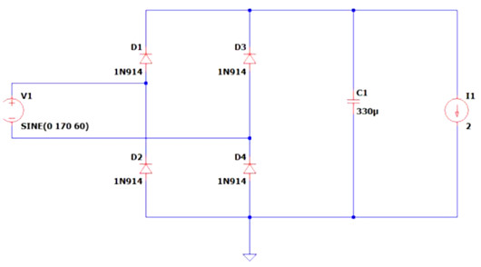
比如考慮到下面的整流器電路,一個330uF的濾波電容和一個2A的負載,交流電源是120Vrms,60Hz 。
紋波電流的計算方式如下:
紋波電流=C*dV*f
其中:
紋波電流:流向電容器的實際紋波電流
C:電路中的電容
dV:這是輸入電壓從零到峰值的變化
f:輸入交流電壓的頻率
聯系方式:鄒先生
聯系電話:0755-83888366-8022
手機:18123972950
QQ:2880195519
聯系地址:深圳市福田區金田路3037號金中環國際商務大廈2109
請搜微信公眾號:“KIA半導體”或掃一掃下圖“關注”官方微信公眾號
請“關注”官方微信公眾號:提供 MOS管 技術幫助
免責聲明:本網站部分文章或圖片來源其它出處,如有侵權,請聯系刪除。
