BUCK同步整流SW點負壓產生及解決-KIA MOS管
信息來源:本站 日期:2023-02-24
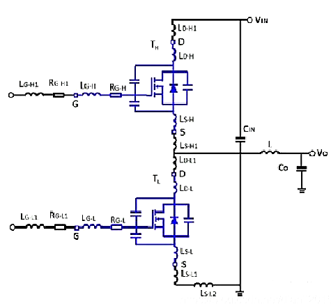
下面是BUCK同步整流的實際等效模型,包括很多寄生電感,比如器件的引線電感,布線的寄生電感等。
負壓產生的原因:當上管關斷下管導通的過程中,由于輸出電感電流不能突變的特性 ,上管電流減小,下管電流增加,下管回路的寄生電感會感應出下正上負的電壓,下為0,所以上也就是開關節點為負壓。注意這里,下管沒驅動的時候,走體二極管。
那這個感應電壓與Ldi/dt,即寄生電感的大小有關,電流的變化率有關,即開關頻率有關。
當然在測試時,注意探頭的影響,以最小環路測試。
影響
那產生這個負壓有什么影響呢?
1.上管因為過壓而損壞
因為關斷時,上管D端為電源,S端為負,導致DS兩端的電壓過高,而損壞器件。
2.上下管直通
開關節點SW的電壓為負,上管在關斷時,Vgs可能因為s負的太多,導致上管導通,導致上下管直通,產生過流損壞管子。
解決方法
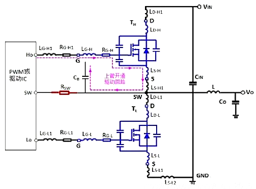
1.降低上管的關斷速度
驅動串電阻
上管自舉驅動電路VB和CB之間外加串聯電阻
增加上管源極外部串聯的PCB引線電感
2.IC的SW管腳和開關節點之間串聯電阻
注意RSW放在CB電容的左邊,可以不影響開通速度,放在右邊會影響。
3.IC的地端串聯電阻
PWM或驅動IC的地端與輸入電容的地端串聯電阻,同樣可以降低負壓電流,實際應用中,不推薦這種方式。
4.IC的SW管腳和地之間并聯穩壓管
聯系方式:鄒先生
聯系電話:0755-83888366-8022
手機:18123972950
QQ:2880195519
聯系地址:深圳市福田區金田路3037號金中環國際商務大廈2109
請搜微信公眾號:“KIA半導體”或掃一掃下圖“關注”官方微信公眾號
請“關注”官方微信公眾號:提供 MOS管 技術幫助
免責聲明:本網站部分文章或圖片來源其它出處,如有侵權,請聯系刪除。
