詳解積分電路電容并聯一個電阻作用-KIA MOS管
信息來源:本站 日期:2023-03-22
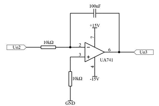
一、消除三角波形的底部失真
比例積分電路可以講輸入的方波轉化為三角波,但輸出的三角波往往會出現底部失真的現象,如圖所示。
圖中的失真現象尚且不是特別明顯。導致三角波失真的原因是運放往往會存在很小的失調電壓和偏置電流,然后持續作用在反饋電容上。
但是電容對于低頻的直流電壓的阻礙作用特別明顯。根據虛短和虛短的公式(電容C充當Rf)很小的失調電壓都會在輸出端累計一個很大的直流偏置電壓,導致三角波失真。
當并聯一個電阻值很大的電阻時(一般都會并聯100k的電阻,如果過大就再并聯一個100k的電阻,并聯兩個100k的就相當于并聯了一個50k的電阻),可以為失調電壓提供一個小的直流負反饋,進而消除直流電壓對輸出信號的影響。故可以解決三角波底部失真的問題。
二、對輸出電壓沒有影響
在不改變方波頻率等條件的前提下,比例積分電路電容并聯一個電阻值很大的電阻對輸出電壓沒有影響。
3.比例積分電路
在按照電路圖搭建電路時,輸出的三角波存在底部失真問題。于是在100nF的電容旁并聯了一個100k的電阻。再次用示波器的測量是結果如下。
方波的峰峰值為29.6V ,輻值為正負14.8V。通過不考慮電阻值計算的理論值為7.7552V與實際測量值7.28V。在一定的誤差范圍內,實驗結果比較符合預期。
聯系方式:鄒先生
聯系電話:0755-83888366-8022
手機:18123972950
QQ:2880195519
聯系地址:深圳市福田區金田路3037號金中環國際商務大廈2109
請搜微信公眾號:“KIA半導體”或掃一掃下圖“關注”官方微信公眾號
請“關注”官方微信公眾號:提供 MOS管 技術幫助
免責聲明:本網站部分文章或圖片來源其它出處,如有侵權,請聯系刪除。
