集成負載開關、參數、特性詳細分析-KIA MOS管
信息來源:本站 日期:2023-05-22
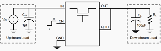
集成負載開關框圖
大部分集成負載開關包含四個引腳:輸入電壓引腳、輸出電壓引腳、使能引腳和接地引腳。
其內部框圖如下:
(1)導通FET是負載開關的主要元件,它決定了負載開關可處理的最大輸入電壓和最大負載電流。負載開關的導通電阻是導通FET的特性,將用于計算負載開關的功耗。導通FET既可以是N溝道FET,也可以是P溝道FET,這將決定負載開關的架構。
(2)柵極驅動器以控制方式對FET的柵極進行充放電,從而控制器件的上升時間。
(3)控制邏輯由外部邏輯信號驅動。它控制了導通FET和其它模塊(如快速輸出放電模塊、充電泵和帶保護功能的模塊)的接通和關斷。
(4)并非所有負載開關中均包含電荷泵。電荷泵用于帶有N溝道FET的負載開關,因為柵極和源極(VOUT)間需要有正差分電壓才能正確接通FET。
(5)快速輸出放電模塊是一個連接VOUT到GND的片上電阻,當通過ON引腳禁用器件時,該電阻導通。這將對輸出節點進行放電,從而防止輸出浮空。對于帶有快速輸出放電模塊的器件,僅當VIN和VBIAS處于工作范圍內時,此功能才有效。
(6)不同的負載開關中還包括其它功能。這些功能包括但不限于熱關斷、限流和反向電流保護等。
集成負載開關datasheet中的參數
下面列出了負載開關的常見數據表參數和定義。
-輸入電壓范圍(VIN)–這是負載開關可支持的輸入電壓范圍。
-偏置電壓范圍(VBIAS)–這是負載開關可支持的偏置電壓范圍。為負載開關的內部模塊供電可能需要此參數,具體取決于負載開關的架構。
-最大連續電流(IMAX)–這是負載開關可支持的最大連續直流電流。
-導通狀態電阻(RON)–這是在VIN引腳與VOUT引腳間測得的電阻,其中考慮了封裝和內部導通FET的電阻。
-靜態電流(IQ)–這是為器件的內部模塊供電所需的電流量,以VOUT上沒有任何負載時流入VIN引腳的電流為測量值。
-關斷電流(ISD)–這是禁用器件時流入VIN的電流量。
-ON引腳輸入漏電流(ION)–這是ON引腳上施加高電壓時流向ON引腳的電流量。
-下拉電阻(RPD)–這是禁用器件時從VOUT到GND的下拉電阻值。
集成負載開關的導通特性
如下圖,以TI的TPS22919負載開關為例,電壓5V,電流1A,負載電容100μF。
控制的上升時間確保了較低的浪涌電流和輸入電壓下降,且不需要使用任何外部組件。
聯系方式:鄒先生
聯系電話:0755-83888366-8022
手機:18123972950
QQ:2880195519
聯系地址:深圳市福田區金田路3037號金中環國際商務大廈2109
請搜微信公眾號:“KIA半導體”或掃一掃下圖“關注”官方微信公眾號
請“關注”官方微信公眾號:提供 MOS管 技術幫助
免責聲明:本網站部分文章或圖片來源其它出處,如有侵權,請聯系刪除。
