?ZVS反激-反激開關電源實例詳解-KIA MOS管
信息來源:本站 日期:2023-06-06
ZVS的實現方案
ZVS即在MOSFET驅動到來前,Vds電壓已經為零了。由于節點電容上電壓的存在,要實現ZVS,需要一個和勵磁電流反向的電流流過變壓器原邊電感。
傳統的QR,由于退磁后變壓器初級電感的初始電壓即副邊反射電壓,振蕩是阻尼的,因此開關節點可能達到的最低電壓只能是Vin-Vor,能不能ZVS取決于輸入電壓和反射電壓。
對于寬范圍輸入,不太可能全輸入范圍實現ZVS;如果再加上寬范圍輸出(比如PD協議5-20V輸出的適配器),ZVS的實現就愈發困難。
為了實現這個反向的電流,對電感而言,只需對它反向勵磁,有源鉗位反激就是這樣一個思路。
相對于傳統反激,有源鉗位反激中RCD吸收不可控導通的D變成了可控導通的MOSFET,鉗位電容容值遠大于吸收電容。漏感能量存儲在鉗位電容中,在鉗位電容上形成一個相對平穩的電壓。
在原邊主MOSFET開通前,如果先將鉗位管開通一段時間,原邊電感將反向勵磁,關斷鉗位管后,勵磁電流方向不變,這個電流抽取結電容電荷,最后實現主MOSFET的ZVS。
有源鉗位的好處是不僅實現了ZVS,同時能夠回收漏感能量,但從電路結構上,增加了一顆高邊鉗位管,控制IC需要高壓浮區,成本大幅上升。
本文要討論的ZVS反激,講的是不改變傳統反激電路基本結構,不增加額外的器件,僅從控制上想辦法來實現。
前面提到,為了實現ZVS,需要在原邊管開通前,在原邊電感上形成原邊一個負電流,即原邊電感需要反相勵磁。ACF根本方法就是在原邊電感上直接反相勵磁,代價是必須增加一個可控開通和關斷MOSFET。
對于Flyback,變壓器本質上是一個耦合電感,要在原邊電感形成負電流,這反相勵磁其實是可以從任一繞組上來操作的,因為關斷后,能量可以從任一繞組釋放。基于這個原理,ZVS的實現就變得相當簡單了。
試想一下,工作在DCM下,帶有有同步整流的Flyback,如果副邊退磁完成后同步整流繼續保持開通,那么輸出電壓將會從輸出繞組對變壓器勵磁,只要在原邊開通前一定時間內關斷同步整流,變壓器內存儲的能量就會尋找途徑釋放,而此時,它就會反抽原邊開關節點電容形成負電流,只要勵磁能量足夠,反抽時間(同步整流關斷到原邊開通的死區時間)合適,就能確保零電壓開通。
當然,勵磁可以在變壓器上其他任何一個耦合的繞組上進行。
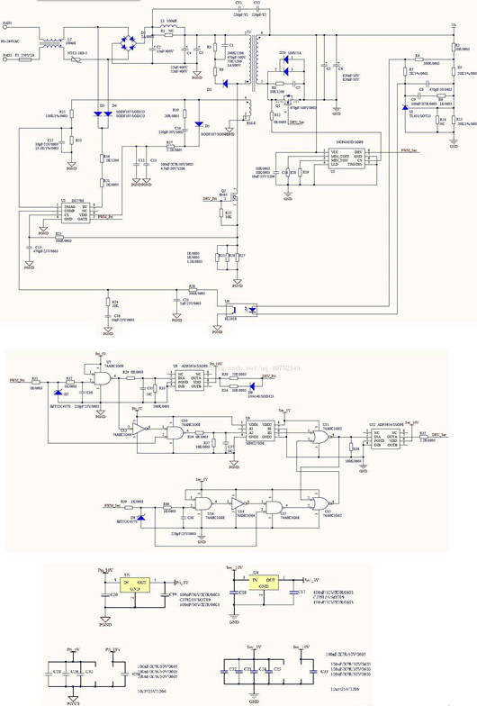
先上第一個原理圖,用一個定頻PWM控制器配合一些數字邏輯電路,實現同步整流與原邊驅動的互補輸出,同時留有死區,這個電路經過驗證,DCM下可以從副邊同步整流倒灌,實現原邊零電壓開通。
這種方案有一個很大的問題,注入的能量損耗可能遠超過ZVS帶來的收益。
同步整流如果與原邊完全互補,那深度DCM下,反灌到變壓器的能量可能遠大于原邊結電容存儲能量,較大的能量在一來一回中損失了。
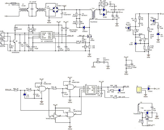
接下來上另一個圖,這種實現非互補的驅動,只是在原邊開通前打出一個小脈沖,不多不少,正好能夠抽干結電容能量就好。
聯系方式:鄒先生
聯系電話:0755-83888366-8022
手機:18123972950
QQ:2880195519
聯系地址:深圳市福田區金田路3037號金中環國際商務大廈2109
請搜微信公眾號:“KIA半導體”或掃一掃下圖“關注”官方微信公眾號
請“關注”官方微信公眾號:提供 MOS管 技術幫助
免責聲明:本網站部分文章或圖片來源其它出處,如有侵權,請聯系刪除。
