開關電源同步整流技術圖文詳解-KIA MOS管
信息來源:本站 日期:2023-06-29
同步整流技術就是采用低導通電阻的功率MOS管代替開關變換器快恢復二極管,起整流管的作用,從而達到降低整流損耗,提高效率的目的。
同步整流的基本電路結構
同步整流是采用通態電阻極低的專用功率MOSFET,來取代整流二極管以降低整流損耗的一項新技術。它能大大提高DC/DC變換器的效率并且不存在由肖特基勢壘電壓而造成的死區電壓。功率MOSFET屬于電壓控制型器件,它在導通時的伏安特性呈線性關系。用功率MOSFET做整流器時,要求柵極電壓必須與被整流電壓的相位保持同步才能完成整流功能,故稱之為同步整流。
工作方式的比較
傳統的同步整流方案基本上都是PWM型同步整流,主開關與同步整流開關的驅動信號之間必須設置一定的死區時間,以避免交叉導通,因此,同步整流MOS管就存在體二極管導通和反向恢復等問題,從而降低同步整流電路的性能。
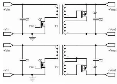
雙端自激、隔離式同步整流電路
實際舉例(反激同步整流設計 )
基本的反激電路結構
一種實際的外驅電路
增加驅動能力的外驅電路
由NMOSFET構成的反激同步整流自驅動電路結構
由PMOSFET構成的反激同步整流自驅動電路結構
反激同步整流驅動電路選擇
同步整流管的驅動方式有三種:第一種是外加驅動控制電路,優點是其驅動波形的質量高,調試方便。缺點是:電路復雜,成本高,在追求小型化和低成本的今天只有研究價值,基本沒有應用價值。
上圖是簡單的外驅電路,R1D1用于調整死區。該電路的驅動能力較小,在同步整流管的Ciss較小時,可以使用。圖6是在圖5的基礎上增加副邊推挽驅動電路的結構,可以驅動Ciss較大的MOSFET。在輸出電壓低于5V時,需要增加驅動電路供電電源。
第二種是自驅動同步整流。優點是直接由變壓器副邊繞組驅動或在主變壓器上加獨立驅動繞組,電路簡單、成本低和自適應驅動是主要優勢,在商業化產品中廣泛使用。
缺點是電路調試的柔性較少,在寬輸入低壓范圍時,有些波形需要附加限幅整形電路才能滿足驅動要求。由于Vgs的正向驅動都正比于輸出電壓,調節驅動繞組的匝數可以確定比例系數,且輸出電壓都是很穩定的,所以驅動電壓也很穩定。比較麻煩的是負向電壓可能會超標,需要在設計變壓器變比時考慮驅動負壓幅度。
第三種是半自驅。其驅動波形的上升或下降沿,一個是由主變壓器提供的信號,另一個是獨立的外驅動電路提供的信號。上圖是針對自驅的負壓問題,用單獨的放電回路,提供同步整流管的關斷信號,避開了自驅動負壓放電的電壓超標問題。
聯系方式:鄒先生
聯系電話:0755-83888366-8022
手機:18123972950
QQ:2880195519
聯系地址:深圳市福田區金田路3037號金中環國際商務大廈2109
請搜微信公眾號:“KIA半導體”或掃一掃下圖“關注”官方微信公眾號
請“關注”官方微信公眾號:提供 MOS管 技術幫助
免責聲明:本網站部分文章或圖片來源其它出處,如有侵權,請聯系刪除。
