電容降壓式電源電路圖,簡單實用-KIA MOS管
信息來源:本站 日期:2023-08-07
將交流市電轉換為低壓直流的常規方法是采用變壓器降壓后再整流濾波,當受體積和成本等因素的限制時,最簡單實用的方法就是采用電容降壓式電源。
采用電容降壓時應注意以下幾點:
1、根據負載的電流大小和交流電的工作頻率選取適當的電容,而不是依據負載的電壓和功率。
2、限流電容必須采用無極性電容,絕對不能采用電解電容。而且電容的耐壓須在400V以上。最理想的電容為鐵殼油浸電容。
3、電容降壓不能用于大功率條件,因為不安全。
4、電容降壓不適合動態負載條件。
5、同樣,電容降壓不適合容性和感性負載。
6、當需要直流工作時,盡量采用半波整流。不建議采用橋式整流,而且要滿足恒定負載的條件。
電路一
這一類的電路通常用于低成本取得非隔離的小電流電源。它的輸出電壓通常可在幾伏到三幾十伏,取決于所使用的齊納穩壓管。所能提供的電流大小正比于限流電容容量。
采用半波整流時,每微法電容可得到電流(平均值)為:(國際標準單位)
I(AV)=0.44*V/Zc=0.44*220*2*Pi*f*C
=0.44*220*2*3.14*50*C=30000C
=30000*0.000001=0.03A=30mA
如果采用全波整流可得到雙倍的電流(平均值)為:
I(AV)=0.89*V/Zc=0.89*220*2*Pi*f*C
=0.89*220*2*3.14*50*C=60000C
=60000*0.000001=0.06A=60mA
一般地,此類電路全波整流雖電流稍大,但是因為浮地,穩定性和安全性要比半波整流型更差,所以用的更少。
使用這種電路時,需要注意以下事項:
1、未和220V交流高壓隔離,請注意安全,嚴防觸電!
2、限流電容須接于火線,耐壓要足夠大(大于400V),并加串防浪涌沖擊兼保險電阻和并放電電阻。3、注意齊納管功耗,嚴禁齊納管斷開運行。
電路二
最簡單的電容降壓直流供電電路及其等效電路如圖1,C1為降壓電容,一般為0.33~3.3uF。
假設C1=2uF,其容抗XCL=1/(2PI*fC1)=1592。由于整流管的導通電阻只有幾歐姆,穩壓管VS的動態電阻為10歐姆左右,限流電阻R1及負載電阻RL一般為100~200,而濾波電容一般為100uF~1000uF,其容抗非常小,可以忽略。
若用R代表除C1以外所有元器件的等效電阻,可以畫出圖的交流等效電路。同時滿足了XC1>R的條件,所以可以畫出電壓向量由于R甚小于XC1,R上的壓降VR也遠小于C1上的壓降,所以VC1與電源電壓V近似相等,即VC1=V。
根據電工原理可知:整流后的直流電流平均值Id,與交流電平均值I的關系為Id=V/XC1。若C1以uF為單位,則Id為毫安單位,對于22V,50赫茲交流電來說,可得到Id=0.62C1。
由此可以得出以下兩個結論:
(1)在使用電源變壓器作整流電源時,當電路中各項參數確定以后,輸出電壓是恒定的,而輸出電流Id則隨負載增減而變化;
(2)使用電容降壓作整流電路時,由于Id=0.62C1,可以看出,Id與C1成正比,即C1確定以后,輸出電流Id是恒定的,而輸出直流電壓卻隨負載電阻RL大小不同在一定范圍內變化。
RL越小輸出電壓越低,RL越大輸出電壓也越高。C1取值大小應根據負載電流來選擇,比如負載電路需要9V工作電壓,負載平均電流為75毫安,由于Id=0.62C1,可以算得C1=1.2uF。考慮到穩壓管VD5的的損耗,C1可以取1.5uF,此時電源實際提供的電流為Id=93毫安。
穩壓管的穩壓值應等于負載電路的工作電壓,其穩定電流的選擇也非常重要。由于電容降壓電源提供的的是恒定電流,近似為恒流源,因此一般不怕負載短路,但是當負載完全開路時,R1及VD5回路中將通過全部的93毫安電流,所以VD5的最大穩定電流應該取100毫安為宜。
由于RL與VD5并聯,在保證RL取用75毫安工作電流的同時,尚有18毫安電流通過VD5,所以其最小穩定電流不得大于18毫安,否則將失去穩壓作用。
限流電阻取值不能太大,否則會增加電能損耗,同時也會增加C2的耐壓要求。如果是R1=100歐姆,R1上的壓降為9.3V,則損耗為0.86瓦,可以取100歐姆1瓦的電阻。
濾波電容一般取100微法到1000微法,但要注意其耐亞的選擇.前已述及,負載電壓為9V,R1上的壓降為9.3V,總降壓為18.3V,考慮到留有一定的余量,因此C2耐壓取25V以上為好。
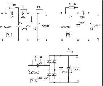
電路三
如圖-1,C1 為降壓電容器,D2 為半波整流二極管,D1 在市電的負半周時給C1 提供放電
回路,D3 是穩壓二極管R1 為關斷電源后C1 的電荷泄放電阻。在實際應用時常常采用的是圖-2的所示的電路。當需要向負載提供較大的電流時,可采用圖-3 所示的橋式整流電路。
整流后未經穩壓的直流電壓一般會高于30 伏,并且會隨負載電流的變化發生很大的波動,這是因為此類電源內阻很大的緣故所致,故不適合大電流供電的應用場合。
聯系方式:鄒先生
聯系電話:0755-83888366-8022
手機:18123972950
QQ:2880195519
聯系地址:深圳市福田區金田路3037號金中環國際商務大廈2109
請搜微信公眾號:“KIA半導體”或掃一掃下圖“關注”官方微信公眾號
請“關注”官方微信公眾號:提供 MOS管 技術幫助
免責聲明:本網站部分文章或圖片來源其它出處,如有侵權,請聯系刪除。
