無線發射電路原理及電路圖詳解-KIA MOS管
信息來源:本站 日期:2023-08-25
在無線電遙控設備中常用的發射電路由高頻振蕩電路、中間放大級、高頻功率放大器及調制電路組成。對于不同場合的遙控設備,發射電路的組成是不同的,如在近距離對家用電器或玩具進行遙控,發射電路輸出的功率只要10~20mW就夠了,沒有必要有中間放大級及高頻功率放大器,調制電路直接對高頻振蕩電路進行調制發射即可。
1000米無線發射電路圖
早期的發射機較多使用LC振蕩器,頻率漂移較為嚴重。聲表器件的出現解決了這一問題,其頻率穩定性與晶振大體相同,而其基頻可達幾百兆甚至上千兆赫茲。無需倍頻,與晶振相比電路極其簡單。
以下兩個電路為常見的發射機電路,由于使用了聲表器件,電路工作非常穩定,即使手抓天線、聲表或電路其他部位,發射頻率均不會漂移。和圖一相比,圖二的發射功率更大一些。可達200米以上。
上圖為常見的發射機電路
盡管性能較差,然而其電路簡單容易實現,工作穩定,因此得到了廣泛的應用,在汽車、摩托車報警器,倉庫大門,以及家庭保安系統中,幾乎無一例外地使用了這樣的電路。
555構成的超聲波發射電路
從555的3腳輸出的40kHz的振蕩脈沖驅動T-40-16工作,使之發射出40kHz的超聲波信號。電路工作電壓為9V,工作電流為40~45mA,控制距離大于8m。
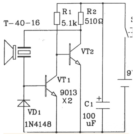
分立元件構成的超聲波發射電路
分立元件構成的超聲波發射電路T/R-40-16便可發射出一串40kHz的超聲波信號。此電路工作電壓9V,工作電流25mA,控制距離可達8m。
聯系方式:鄒先生
聯系電話:0755-83888366-8022
手機:18123972950
QQ:2880195519
聯系地址:深圳市福田區金田路3037號金中環國際商務大廈2109
請搜微信公眾號:“KIA半導體”或掃一掃下圖“關注”官方微信公眾號
請“關注”官方微信公眾號:提供 MOS管 技術幫助
免責聲明:本網站部分文章或圖片來源其它出處,如有侵權,請聯系刪除。
