電子鎮流器電路圖,簡單好用-KIA MOS管
信息來源:本站 日期:2023-08-31
電子鎮流器(Electronic ballast),采用電子技術驅動電光源,使之產生所需照明的電子設備。
使用半導體電子元件,將直流或低頻交流電壓轉換成高頻交流電壓,驅動低壓氣體放電燈(殺菌燈)、鹵鎢燈等光源工作的電子控制裝置。應用最廣的是熒光燈電子鎮流器。
電子鎮流器由于采用現代軟開關逆變技術和先進的有源功率因數矯正技術及電子濾波措施,具有很好的電磁兼容性, 降低了鎮流器的自身損耗。
日光燈電子鎮流器電路由電源電路、高頻振蕩器和LC串聯輸出電路組成;這里簡單介紹一下,電子鎮流器通過V1和V2交替導通與截止,使高頻振蕩電路進入自激振蕩狀態,并通過L3和L4為日光燈管提供啟輝電壓。當C4兩端電壓達到日光燈管的放電電壓時,日光燈管啟輝點亮。
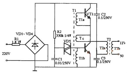
電路如下圖所示,其工作原理與開關電源相似,二極管VD1~VD4構成整流橋把市電變成直流電,由振蕩變壓器T1,三極管VT1、VT2組成的高頻振蕩電路,將脈動直流變成高頻電流,然后由鐵氧體輸出變壓器T2對高頻高壓脈沖降壓,獲得所需的電壓和功率。
R1為限流電阻。電阻R2、電容C1和雙向觸發二極管VD5構成啟動觸發電路。三極管VT1、VT2選用S13005,其B為15~20倍。也可用C3093等BUceo》=35OV的大功率三極管。觸發二極管VD5選用32V左右的DB3或VR60。振蕩變壓器可自制,用音頻線繞制在H7X10X6的磁環上。
TIa、T1b繞3匝,Tc繞1匝。鐵氧體輸出變壓器T2也需自制,磁心選用邊長27mm、寬20mm、厚10mm的EI型鐵氧體。T2a用直徑為0.45mm高強度漆包線繞100匝,T2b用直徑為1.25mm高強度漆包線繞8匝。二極管VD1~VD4選用IN4007型,雙向觸發二極管選用DB3型,電容C1~C3選用聚丙聚酯滌綸電容,耐壓250V。
電路工作時,A點工作電壓約為12V;B點約為25V;C點約為105V;D點約為10V。如果電壓不滿足上述數值,或電路不振蕩,則應檢查電路有無錯焊、漏焊或虛焊。然后再檢查VT1、VT2是否良好,T1a、T1b的相位是否正確。
整個電路裝調成功后,可裝入用金屬材料制作的小盒內,發利于屏蔽和散熱,但必須注意電路與外殼的絕緣。引外,改變T2a、b二線圈的匝數,則可改變輸出的高頻電壓。
KIA半導體是一家致力于功率半導體電子元器件研發與銷售的高新技術型企業,竭誠服務全球開關電源、綠色照明、電機驅動、汽車電子、新能源充電樁、太陽能設備、數碼家電、安防工程等行業長期合作伙伴,主動了解客戶需求,不斷研發創新,為客戶提供綠色、節能、高效的功率半導體產品。
聯系方式:鄒先生
聯系電話:0755-83888366-8022
手機:18123972950
QQ:2880195519
聯系地址:深圳市福田區金田路3037號金中環國際商務大廈2109
請搜微信公眾號:“KIA半導體”或掃一掃下圖“關注”官方微信公眾號
請“關注”官方微信公眾號:提供 MOS管 技術幫助
免責聲明:本網站部分文章或圖片來源其它出處,如有侵權,請聯系刪除。
