常用原理圖,電路原理圖,電氣原理圖-KIA MOS管
信息來源:本站 日期:2023-10-08
原理圖就是表示電路板上各器件之間連接原理的圖表。原理圖的實質就是電路板的模擬電路設計圖,反應的是電路板上各個元器件之間的物理接線關系、電子元器件的電氣特性等。
下圖是一些經典常用的電路電氣原理圖,電子行業工作者必備收藏!
電機正反轉控制電路原理圖
可控硅調速電路原理圖
單相漏電開關電路原理圖
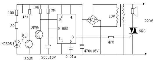
紅外防盜報警器電路原理圖
三相異步電動機正反轉控制電路原理圖
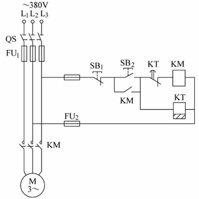
三相異步電動機的時間控制電路原理圖(延時控制電路)
正、負直流穩壓電源電路原理圖
雙重互鎖控制電路原理圖
聯系方式:鄒先生
聯系電話:0755-83888366-8022
手機:18123972950
QQ:2880195519
聯系地址:深圳市福田區金田路3037號金中環國際商務大廈2109
請搜微信公眾號:“KIA半導體”或掃一掃下圖“關注”官方微信公眾號
請“關注”官方微信公眾號:提供 MOS管 技術幫助
免責聲明:本網站部分文章或圖片來源其它出處,如有侵權,請聯系刪除。
