電動機正反轉電路圖【好文收藏】-KIA MOS管
信息來源:本站 日期:2023-10-20
本文整合了一些電動機正反轉電路圖分享給大家,電機正反轉作為基本電路,學習電工一定要了解的。電機正反轉工作原理,當按下正轉啟動按鈕的時候,電機會正轉,這時候按下反轉啟動按鈕是不起作用的,只有按下停止按鈕,電動機停止以后才能啟動電機反轉。
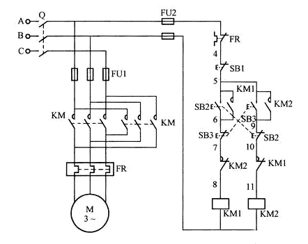
電機正反轉自鎖互鎖原理如圖所示,圖中SB2和SB3均為復合按鈕,合上電源開關Q,按下起動按鈕SB2,其常閉觸點SB2斷開,使接觸器KM2不得電;常開觸點SB2接通,使接觸器KM1得電吸合并自鎖,其主觸點閉合,接通電源,電動機正向起動運轉。這時KM1的常閉觸點KM1斷開,進一步保證KM2不得電。
當需要電動機反轉時,按下反向按鈕SB3,其常開觸點SB3斷開,使接觸器KM1斷電釋放,主觸點斷開,切除了電動機的電源,電動機斷電而慢慢停止,同時SB3的常開觸點閉合,又由于KM1的常閉輔助觸點恢復閉合,使得接觸器KM2得電吸合并自鎖,其主觸點閉合,將電動機的兩相電源對調,電動機反向轉動。這時KM2的常閉觸點斷開,確保KM1斷電。如果要電動機停止,只需要按下停止按鈕SB1即可。
按鈕互鎖的正反轉控制電路動作原理與接觸器互鎖的電擊正反轉控制電路原理基本相似,其控制電路如下圖所示。
由于采用了復合按鈕,當按下反轉按鈕SB3時,使接在正轉控制電路中的SB2常團觸頭先斷開,正轉接觸器KM1線圈斷電,KM1主觸頭斷開,電動機M斷電;接著反轉按鈕SB2的常開觸頭鬲合,使反轉接觸器KM2的線圈獲電,KM2主觸頭閉合,電動機反轉。
既保證了正反轉接觸器KMI和KM2不會同時接通電源,又可不按停止按鈕SB1而直接按反轉按鈕SB2進行反轉啟動。同理,由反轉按鈕轉換成正轉運行的情況,也只要直接按正轉按鈕即可。
電路的優點是操作方便,缺點是容易產生短路故障。如正轉接觸器主觸頭發生故障,熔焊分斷不開時,若按反轉按鈕進行切換,則會產生短路故障,因此單用按鈕互鎖的控制電路還不太安全可靠。
聯系方式:鄒先生
聯系電話:0755-83888366-8022
手機:18123972950
QQ:2880195519
聯系地址:深圳市福田區金田路3037號金中環國際商務大廈2109
請搜微信公眾號:“KIA半導體”或掃一掃下圖“關注”官方微信公眾號
請“關注”官方微信公眾號:提供 MOS管 技術幫助
免責聲明:本網站部分文章或圖片來源其它出處,如有侵權,請聯系刪除。
