低通濾波器作用,低通濾波電路分享-KIA MOS管
信息來源:本站 日期:2024-01-02
低通濾波器通過選擇截止頻率來確定一個頻率范圍,在該范圍內保留信號的低頻成分,并抑制高于截止頻率的高頻成分。低通濾波器在音頻處理、圖像處理、通信系統等領域中有廣泛應用。
低通濾波器主要用于去除信號中高于某個截止頻率的高頻成分,從而平滑信號并抑制噪聲。通過保留低頻成分,低通濾波器能夠提取信號中的基本趨勢和長期變化,對于平滑數據和減少噪聲干擾非常有效。
平滑信號:通過去除高頻噪聲和快速變化的部分,低通濾波器可以使信號更加平滑,減少噪聲干擾,使得信號變化更為連續和穩定。
去除高頻噪聲:高頻噪聲往往包含在信號中的高頻成分中,低通濾波器可以濾除這些噪聲,提高信號的質量和可靠性。
降低功率譜:在頻域中,低通濾波器可以將高頻部分的功率譜降低,從而減小信號的帶寬和能量消耗。
開關電源--單級低通濾波回路
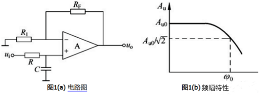
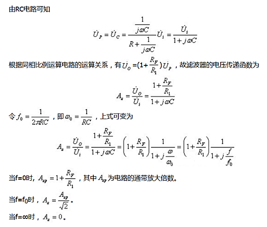
圖1 (a) 所示電路為一階有源低通濾波電路。
其幅頻特性如圖1(b)所示。
為改善濾波效果,使f≥fo時,信號衰減的更快,一般在圖1(a)所示的一階低通濾波器的基礎上再增加一級RC電路就構成二階有源低通濾波器,如圖2所示。
聯系方式:鄒先生
聯系電話:0755-83888366-8022
手機:18123972950(微信同號)
QQ:2880195519
聯系地址:深圳市福田區金田路3037號金中環國際商務大廈2109
請搜微信公眾號:“KIA半導體”或掃一掃下圖“關注”官方微信公眾號
請“關注”官方微信公眾號:提供 MOS管 技術幫助
免責聲明:本網站部分文章或圖片來源其它出處,如有侵權,請聯系刪除。
