全橋逆變和半橋逆變的區別、優缺點-KIA MOS管
信息來源:本站 日期:2024-08-16
全橋
全橋轉換器使用4個開關,4個開關連接到2個電源的正極和負極,全橋不存在峰值電壓問題,與直流電源的電壓相同。
半橋
半橋轉換器使用2個開關,2個開關分別連接直流電源的正極和負極。當一個開關打開時,電流從電源的正極通過開關流向負載。另一個開關打開的時候,電流從負載流回電源的負極。
常見的逆變電路有半橋式和全橋式。
和半橋相比,全橋的開關管數量增加了一倍,但是在相同的開關電流下,全橋電路的輸出功率是半橋的兩倍。
全橋逆變和半橋逆變的主要區別在于開關管的數量和輸出電壓的最大值。全橋逆變器使用四個開關管,而半橋逆變器使用兩個開關管。因此,全橋逆變器的輸出電壓峰值可以達到直流電源電壓,而半橋逆變器的輸出電壓峰值只有直流電源電壓的一半。
全橋逆變和半橋逆變工作原理區別
半橋電路,由兩個串聯的功率開關和兩個串聯的電容組成。
當這里的V1導通時,V2關斷,電容C1上的能量釋放到負載R上,輸出電壓Uo為正,與此同時電容C2充電;
當VI關斷后,V2導通,電容C2的能量釋放到負載R上,輸出電壓Uo為負,同時電容C1充電,開關管V1、V2交替導通讓負載獲得交流電能。
兩個電容的串聯作為帶動變壓器負載。不過要注意,當工作在50Hz- 60Hz的情況下,電容的容量需求會比較大,這就導致電路的體積變化和成本增加。
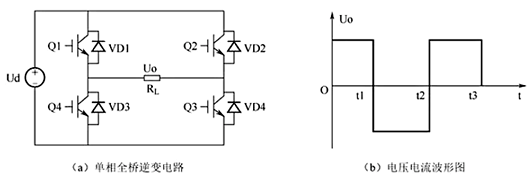
全橋電路,也稱為H橋電路。由四個功率開關管組成。
其中Q1和Q4通斷互補,Q2和Q3通斷互補。
當Q1、Q3閉合,Q2、Q4斷開時,負載電壓Uo為正;
當Q1、Q3斷開,Q2、Q4閉合時,負載電壓Uo為負;
Q1、Q3和Q2、Q4交替導通,負載獲得了交流電能。
當負載不是純電阻時,負載電壓和負載電流不是同相位,這時候的開關管的寄生二極管就起到了電流續流的作用。
全橋逆變和半橋逆變的優缺點
全橋逆變器的優點:結構簡單,易于設計和制造、電壓利用率高,能夠輸出更高的功率。
全橋逆變器的缺點:由于全橋逆變器的輸入電流不同,變壓器的設計較為復雜,原邊線圈匝數較多。
半橋逆變器的優點:半橋逆變器使用器件少,簡單、對電路對稱性要求不嚴格,具有一定的抗不平衡能力、成本較低。
半橋逆變器的缺點:輸出功率低、變壓器的設計較為復雜,原邊線徑較粗。
聯系方式:鄒先生
聯系電話:0755-83888366-8022
手機:18123972950(微信同號)
QQ:2880195519
聯系地址:深圳市福田區金田路3037號金中環國際商務大廈2109
請搜微信公眾號:“KIA半導體”或掃一掃下圖“關注”官方微信公眾號
請“關注”官方微信公眾號:提供 MOS管 技術幫助
免責聲明:本網站部分文章或圖片來源其它出處,如有侵權,請聯系刪除。
