常用電動車充電器電路圖分享-KIA MOS管
信息來源:本站 日期:2025-03-05
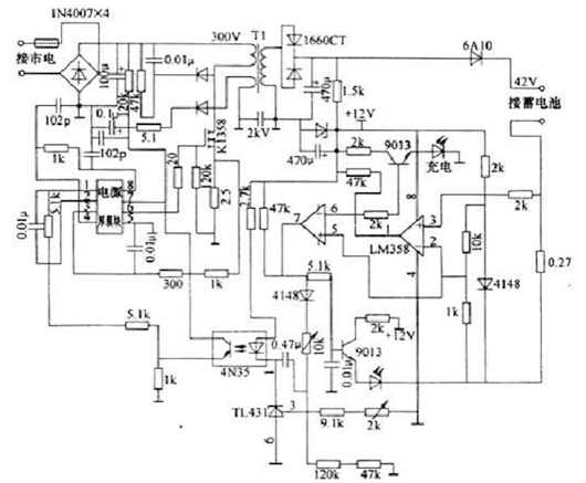
以3842驅動場效應管的單管開關電源,配合358雙運放來實現三階段充電方式。
220v的交流電經過T0雙向濾波環節,以抑制干擾。隨后,D1將其整流為脈動直流,再經由C11進行濾波,從而得到穩定的約300V直流電。在這條電路中,U1作為TL3842脈寬調制集成電路發揮著核心作用。其5腳為電源負極,7腳為電源正極,而6腳則輸出脈沖,直接驅動場效應管Q1(型號K1358)。此外,3腳用于設置最大電流限制,通過調整R25(阻值為2.5歐姆)的阻值,可以實現對充電器最大電流的調整。同時,2腳作為電壓反饋點,用于調節充電器的輸出電壓。4腳則外接振蕩電阻R1和振蕩電容C1,共同構成振蕩電路。
另外,T1高頻脈沖變壓器在此電路中扮演著三個重要角色:首先,它將高壓脈沖降為低壓脈沖;其次,它起到隔離高壓的作用,確保使用安全;最后,它還為uc3842提供必要的工作電源。
D4作為高頻整流管(規格為16A60V),與C10低壓濾波電容共同作用,確保電路平穩運行。D5穩壓二極管(12V)則負責維持穩定的電壓輸出。U3(TL431)作為精密基準電壓源,與U2(光耦合器4N35)協同工作,實現充電器的自動電壓調節。通過調整微調電阻W2,可以精細地調控充電器電壓。D10為電源指示燈,D6則為充電指示燈,提供直觀的充電狀態反饋。
R27電流取樣電阻(0.1歐姆,5w)的阻值可調,用于設定充電器轉浮充的拐點電流,范圍在200-300 mA之間。當C11上的300v電壓經T1加載到Q1時,U1被啟動并輸出方波脈沖,驅動Q1工作。同時,T1副線圈產生的感應電壓經D3、R12為U1提供穩定電源。
T1輸出線圈的電壓經過D4、C10整流濾波后,得到穩定的電壓輸出。這一路電壓分為兩部分,一部分經D7防止電池電流倒灌給充電器,另一部分則經R14、D5、C9為LM358雙運算放大器及其外圍電路提供12V工作電源。
正常充電時,R27上的電壓經R17加到LM358的第三腳,從第一腳送出高電壓。這一電壓一路迫使Q2導通,點亮D6充電指示燈;另一路注入LM358的第六腳和第七腳,從而控制Q3的開關狀態和D10電源指示燈的亮滅。當電池電壓達到44.2V左右時,充電器進入恒壓充電階段,維持這一電壓并逐漸減小電流。當電流減小到200mA—300mA時,充電器進入涓流充電階段,持續1-2小時后充電結束。
圖為充電器的電路原理圖,主要由整流濾波、高壓開關、電壓變換、恒流、恒壓及充電控制等幾部分組成。
充電器將輸入的220V市電電壓經整流濾波后轉變為直流300V左右的電壓,通過開關管的接通和關斷,使300V直流電壓變成受控制的交流電壓,交流電壓通過開關變壓器耦合后在其二次側產生低壓交流電,低壓交流電再通過二極管整流后輸出直流充電電壓。
開關管受電源厚模塊的控制,4N35光耦合器將二次電壓波動信號反饋給電源厚模塊,從而達到穩定輸出電壓的目的。使用開關電源作為充電器的好處是能有效的根據負載的大小控制輸出,保護負載并節約能源。
聯系方式:鄒先生
座機:0755-83888366-8022
手機:18123972950(微信同號)
QQ:2880195519
聯系地址:深圳市龍華區英泰科匯廣場2棟1902
搜索微信公眾號:“KIA半導體”或掃碼關注官方微信公眾號
關注官方微信公眾號:提供 MOS管 技術支持
免責聲明:網站部分圖文來源其它出處,如有侵權請聯系刪除。
