選擇Boost升壓電路的電感?三個公式-KIA MOS管
信息來源:本站 日期:2023-03-02
BOOST電源架構是一種非常經典的升壓電源方案,它是利用開關管開通和關斷的時間比率,維持穩定輸出的一種開關電源,它以小型、輕量和高效率的特點被廣泛應用在各行業電子設備,是不可缺少的一種電源架構。
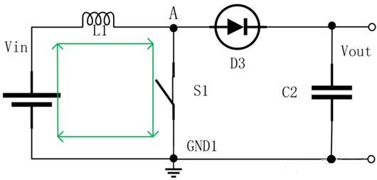
開關閉合時,充電路徑見上圖綠色回路,此時給電感充電,可以列出方程:
其中:
Vi:輸入電壓 L:電感量 △Ion:充電時電感電流紋波
D:開關的占空比 T:開關周期,是頻率f的倒數
η是boost的效率,開關電源效率一般是比較高的,如果只是近似計算,效率可以取90%。
最后一個公式,電源的輸出總電流,是直流電基礎之上,疊加的交流電流,我們需要計算直流加交流時的最大電流:
從推導的公式可以看出,選擇大電感時,產生的紋波也小,可以降低電感器的磁滯損耗和 EMI。但同樣地,物極必反,負載瞬態響應時間增加。
聯系方式:鄒先生
聯系電話:0755-83888366-8022
手機:18123972950
QQ:2880195519
聯系地址:深圳市福田區金田路3037號金中環國際商務大廈2109
請搜微信公眾號:“KIA半導體”或掃一掃下圖“關注”官方微信公眾號
請“關注”官方微信公眾號:提供 MOS管 技術幫助
免責聲明:本網站部分文章或圖片來源其它出處,如有侵權,請聯系刪除。
