PMOS、NMOS-全橋變換器原理詳解-KIA MOS管
信息來源:本站 日期:2023-06-25
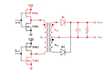
全橋變換器工作過程示意圖
當S=0時,P型溝道MOS管PM1和N型溝道MOS管NM2導通,P型溝道MOS管PM2和N型溝道MOS管NM1截止,形成第一方向的隔離傳輸:
在變壓器原邊,電流從輸入電源正端VIN經過PM1后從變壓器原邊繞組NP的同名端流入,異名端流出,并經過NM2后流到輸入電源GND;
在變壓器副邊,電流從繞組NS1的異名端流入,同名端流出,再經過正向導通整流二極管D1后到達變換器的輸出端,繞組NS2無電流通過,整流二極管D2處于截止狀態。
當S=1時,P型溝道MOS管PM2和N型溝道MOS管NM1導通,P型溝道MOS管PM1和N型溝道MOS管NM2截止,形成第二方向的隔離傳輸:
在變壓器原邊,電流從輸入電源正端VIN經過PM2后從變壓器原邊繞組NP的異名端流入,同名端流出,并經過NM1后流到輸入電源GND;
在變壓器副邊,電流從繞組NS2的同名端流入,異名端流出,再經過正向導通整流二極管D2后到達變換器的輸出端,繞組NS1無電流通過,整流二極管D1處于截止狀態。
聯系方式:鄒先生
聯系電話:0755-83888366-8022
手機:18123972950
QQ:2880195519
聯系地址:深圳市福田區金田路3037號金中環國際商務大廈2109
請搜微信公眾號:“KIA半導體”或掃一掃下圖“關注”官方微信公眾號
請“關注”官方微信公眾號:提供 MOS管 技術幫助
免責聲明:本網站部分文章或圖片來源其它出處,如有侵權,請聯系刪除。
