開關電源整流二極管并聯電容和電阻作用-KIA MOS管
信息來源:本站 日期:2023-07-31
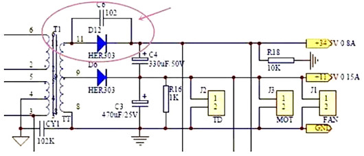
二極管只要存在結電容就必然會影響反向恢復時間和反向電流,而反向電流是我們不希望看到的,而且過大的反向電流還會使二極管擊穿。
那么我們能不能控制和減小反向電流呢?具體可以采取哪些措施呢?最簡單的辦法就是給二極管再并聯一只電容器。
開關電源輸出整流二極管吸收電容
C5的主要作用其實為了吸收過高的反向電壓,也就是當二極管截止的時候二極管所承受的電壓,因為電感的感應電壓非常高,不加以抑制的話這個電壓就有可能會超過它的耐壓值,同時也會有比較大的反向電流,這樣的話二極管就會有擊穿的風險。所以這個小電容的作用也是非常關鍵的!
這個電容的選擇也是很有講究的,過大會影響電源的輸出質量、影響電源的工作效率,過小又將失去保護作用,那么這個電容到底選多大的才合適呢?
RC吸收保護電路
也就是用電容器和電阻器串聯后再并聯在二極管兩端,這樣他們的取值就會靈活很多,所以這種保護形式在大功率開關電源電路中得到廣泛應用。
電動車充電器RC吸收電路
聯系方式:鄒先生
聯系電話:0755-83888366-8022
手機:18123972950
QQ:2880195519
聯系地址:深圳市福田區金田路3037號金中環國際商務大廈2109
請搜微信公眾號:“KIA半導體”或掃一掃下圖“關注”官方微信公眾號
請“關注”官方微信公眾號:提供 MOS管 技術幫助
免責聲明:本網站部分文章或圖片來源其它出處,如有侵權,請聯系刪除。
