逆變管反向并聯二極管,IGBT反向并聯二極管-KIA MOS管
信息來源:本站 日期:2023-07-31
在逆變橋中每個逆變管都反向并聯一個二極管,其主要作用是為感性負載能量回饋提供回路。例如異步電動機,其定子可等效為電阻和電感,所以如圖所示,電流將會滯后于電壓的變化。
在0-t1時間段內,電流與電壓的方向相反,此時,繞組的自感電動勢(反電動勢)克服電源做功(磁場做功)。這時的電流將通過反并聯二極管向直流回路,給電容充電;
在t1-t2時間段內,電流和電壓方向相同,是電源克服繞組的自感電動勢在做功(電源做功)。這時的電流是濾波電容,通過逆變管向電動機而進行放電。
如果沒有反向并聯二極管,則因為逆變管只能單向導通,繞組的磁場無法與電源交換能量,電動機的電流波形將發生畸變。
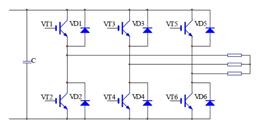
此圖是三相雙向逆變電路,圖中我們可以看到反并聯二極管的用法。
當輸入直流電壓高于負載反向電動勢時,它是一個逆變電路,將直流電變成峰值等于(或小于)直流電壓的交流電(波形由驅動信號決定,常用驅動信號是SPWM正弦脈寬調制,即正弦波交流電)。
當輸入直流電壓低于負載反向電動勢時,它是一個三相整流橋,此時來自負載的反向充電電流經整流橋流回直流電源,實現電剎車。
為什么要把兩者封裝在一塊。事實上大部分的IGBT應用都是上圖的電路(兩相、三相或更多相),封裝在一起可以降低成本、簡化電路、增加可靠性。而IGBT單獨使用時,反向二極管通常不起作用,也就不影響電路設計,只是要小心電線接反時可能導致電機誤動。
聯系方式:鄒先生
聯系電話:0755-83888366-8022
手機:18123972950
QQ:2880195519
聯系地址:深圳市福田區金田路3037號金中環國際商務大廈2109
請搜微信公眾號:“KIA半導體”或掃一掃下圖“關注”官方微信公眾號
請“關注”官方微信公眾號:提供 MOS管 技術幫助
免責聲明:本網站部分文章或圖片來源其它出處,如有侵權,請聯系刪除。
