mos管驅動芯片,mos管驅動芯片選型-KIA MOS管
信息來源:本站 日期:2023-12-01
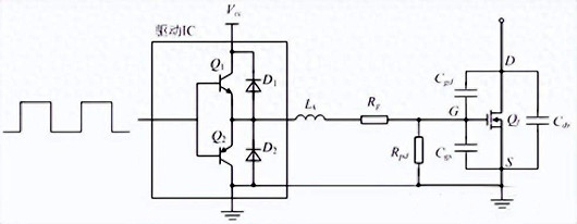
常用的MOS管驅動電路結構如下所示:驅動信號經過圖騰柱放大后,經過一個驅動電阻Rg給mos管驅動。
MOSFET驅動芯片如TC4420來驅動MOS管,這類的芯片一般有很大的瞬間輸出電流,而且還兼容TTL電平輸入,MOSFET驅動芯片的內部結構如下:
驅動芯片的存在主要是為了開通MOS管,為了提供MOS管開通所需要的電壓,需要自舉升壓電路,驅動芯片的意義正是自舉升壓相關的一些電路。
驅動芯片簡單而言就是把單片機產生的PWM波形進行放大輸入到MOS管的柵極G,從而達到開通關斷MOS管的目的。
下表列出了驅動芯片選型時需要關注的主要參數:
對于拉灌電流能力這一參數需要進一步解釋,從等效層面上講,MOS管的各極之間都存在寄生電容,MOS開通的過程就是對極間電容充電的過程,如圖所示為MOS管極間電容的示意圖,所謂灌電流就是將電流灌進G極使得MOS開通,拉電流就是將電荷從G極抽出使得MOS關斷,拉灌電流的力度決定了MOS開通的程度。
MOS管極間電容示意圖
對驅動芯片進行選型時, 需要格外注意將驅動芯片拉灌電流能力值與MOS管的參數相匹配,如果不匹配將會出現俗稱為“帶不動”的情況。
那么這一值具體應該怎么匹配呢?以IRLB4030和IR2101S為例進行計算:
這之中用到了MOS管的反向恢復電荷Qrr,IRLB4030的恢復電荷在125攝氏度時為130nC,我們取為150nC,假設電機控制PWM波的頻率為10KHz,即周期為100us,假設PWM電壓從零到最大值的階躍時間為1us,那么MOS管需要的電流值為:
I=Q/T&=150nC/1us=150mA
那也就是說驅動芯片拉灌電流值應該至少達到150mA才能帶的動IRLB4030,IR2101S的拉灌電流值在130mA到270mA之間,基本符合條件,因此這兩款驅動芯片和MOS管的匹配使用是合理的。
聯系方式:鄒先生
聯系電話:0755-83888366-8022
手機:18123972950
QQ:2880195519
聯系地址:深圳市福田區金田路3037號金中環國際商務大廈2109
請搜微信公眾號:“KIA半導體”或掃一掃下圖“關注”官方微信公眾號
請“關注”官方微信公眾號:提供 MOS管 技術幫助
免責聲明:本網站部分文章或圖片來源其它出處,如有侵權,請聯系刪除。
