音調電路,音調控制電路,電路原理圖分享-KIA MOS管
信息來源:本站 日期:2024-05-11
給一個不帶音調控制功放加裝一個高低音電路,即音調控制電路,可以滿足渲染某種氣氛、達到某種效果、或補償揚聲器系統及放音場所的音響不足。音調控制就是人為地改變信號里高、低頻的成分,這個控制過程其實并沒有改變節目里各種聲音的音調(頻率),所謂“音調控制”只是個習慣叫法,實際上是“高、低音成分調節”或“音色調節”。
一個良好的音調控制電路,要有足夠的高、低音調節范圍,但又同時要求高、低音從最強到最弱的整個調節過程里,中音信號(通常指1000赫)不發生明顯的幅度變化,以保證音量大致不變。
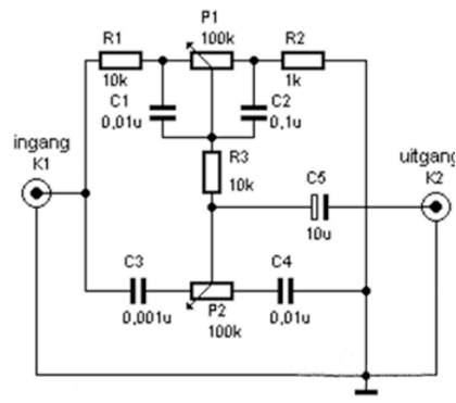
這是一個簡單的音調控制電路。這個電路是被動式的,它不需要電源,對音頻電平沒有放大作用,并且有一定的削弱。
該電路被構造成兩個T形過濾器,以同樣的方式作為靈活的低音和高音音調控制。兩個T型過濾器左臂連接到音頻輸入端,右臂連接到地,中心點連接輸出端。
P1和P2控制低音高音。想聽到更多的低音,你應該把P1向R1的方向移動。而相比之下,更多的高音,你應該在向C3的方向移動P2。
當然,這并不是一個高質量的音調控制電路,但它最適合用于小型放大器,如250毫瓦的放大器。需要注意的是電路工作在線路電平,他們必須進入最后放大階段再行輸出。

音頻音調電路主要由兩部分組成,一是放大器,二是無源音調控制電路。
放大器級:
放大級采用TL072同相放大器。為了向運算放大器提供反饋,電阻器 R3 放置在引腳 1 和 2 之間。通過電阻器 R4,運算放大器的引腳 2 接地。使用電阻器 R3 和 R4 設置運算放大器的增益。在同相模式下,運算放大器的增益為
AV = 1+ (R3/R4) (R3/R4) (R3/R4) (R3/R4) (R3/R)
第一級的輸入阻抗大約等于R3。 C2 電容器用作去耦電容器以及低頻截止電容器。電阻器 R2 減少了運算放大器輸出的失調影響。該電阻器的值應幾乎等于 R3||R2。
音調控制電路:
音調控制部分具有20dB的增強能力。 RV1 電位器控制該區域的低音,而另一個電位器控制高音。音量由電位器 RV2 控制,而平衡由電位器 RV3 調節。低音和高音之間的隔離由電阻器 R7 提供。
聯系方式:鄒先生
聯系電話:0755-83888366-8022
手機:18123972950(微信同號)
QQ:2880195519
聯系地址:深圳市福田區金田路3037號金中環國際商務大廈2109
請搜微信公眾號:“KIA半導體”或掃一掃下圖“關注”官方微信公眾號
請“關注”官方微信公眾號:提供 MOS管 技術幫助
免責聲明:本網站部分文章或圖片來源其它出處,如有侵權,請聯系刪除。
