開關升壓電路圖,開關升壓電路原理-KIA MOS管
信息來源:本站 日期:2024-05-24
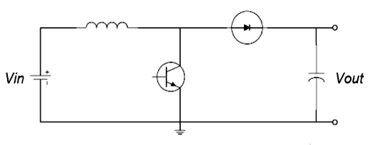
開關直流升壓電路可以使輸出電壓比輸入電壓高。主要應用于直流電動機傳動、單相功率因數校正(PFC)電路及其他交直流電源中。
開關升壓電路原理
假定那個開關(三極管或者mos管)已經斷開了很長時間,所有的元件都處于理想狀態,電容電壓等于輸入電壓。下面要分充電和放電兩個部分來說明這個電路。
充電過程
在充電過程中,開關閉合(三極管導通),等效電路如圖二,開關(三極管)處用導線代替。這時,輸入電壓流過電感。二極管防止電容對地放電。由于輸入是直流電,所以電感上的電流以一定的比率線性增加,這個比率跟電感大小有關。隨著電感電流增加,電感里儲存了一些能量。
放電過程
如圖,這是當開關斷開(三極管截止)時的等效電路。當開關斷開(三極管截止)時,由于電感的電流保持特性,流經電感的電流不會馬上變為0,而是緩慢的由充電完畢時的值變為0。而原來的電路已斷開,于是電感只能通過新電路放電,即電感開始給電容充電,電容兩端電壓升高,此時電壓已經高于輸入電壓了。升壓完畢。
說起來升壓過程就是一個電感的能量傳遞過程。充電時,電感吸收能量,放電時電感放出能量。如果電容量足夠大,那么在輸出端就可以在放電過程中保持一個持續的電流。如果這個通斷的過程不斷重復,就可以在電容兩端得到高于輸入電壓的電壓。
開關升壓電路-boost
電路圖
聯系方式:鄒先生
聯系電話:0755-83888366-8022
手機:18123972950(微信同號)
QQ:2880195519
聯系地址:深圳市福田區金田路3037號金中環國際商務大廈2109
請搜微信公眾號:“KIA半導體”或掃一掃下圖“關注”官方微信公眾號
請“關注”官方微信公眾號:提供 MOS管 技術幫助
免責聲明:本網站部分文章或圖片來源其它出處,如有侵權,請聯系刪除。
