光伏逆變器電路圖,光伏逆變器電路原理-KIA MOS管
信息來源:本站 日期:2024-06-03
光伏逆變器的工作原理主要基于逆變電路,該電路通過電力電子開關的導通與關斷,完成直流電到交流電的轉換。
光伏逆變器是連接光伏電池板和電網之間的電力電子設備,主要功能是將電池板產生的直流電(DC)通過功率模塊轉換成可以并網的交流電(AC)。
根據應用場所的不同,光伏逆變器可以分為集中式逆變器、組串式逆變器和微型逆變器等。集中式逆變器適用于大型光伏電站,可以將多個光伏組件產生的直流電集中轉換成交流電,然后并入電網。組串式逆變器則適用于中小型光伏電站,可以將每個光伏組件產生的直流電分別轉換成交流電,然后并入電網。微型逆變器則適用于家庭光伏系統,可以直接將家庭光伏組件產生的直流電轉換成交流電,為家庭用電提供電力。
逆變器DC-AC逆變原理
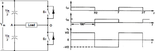
以單相逆變器為例,典型逆變工作原理如下圖所示,兩個開關器件(IGBT、MOSFET等)組成一個電路,為了獲得一個周期的交流電壓,電路中的兩個開關器件S1和S2需要交替開關一輪,其中一個開關打開時另一個開關關閉。例如,為獲得交流輸出的正周期,器件S1打開、S2關閉;而到負周期時,器件S2打開而S1關閉;如此循環輸出如下圖右波形。
光伏逆變器電路圖一
逆變器電路從電源電池提供交流電輸出(AC),但電池需要提供恒定的直流電源來充電。交流輸入電源必須提供這些電路,因此只能從該電路訪問交流輸出。
當沒有交流電源插座時,我們無法給逆變器電池充電并獲得高壓輸出。在本文中,光伏逆變器電路配備了易于訪問的組件,讓我們無需外部交流電源插座即可為逆變器電池充電。它可以用作手持式逆變器。
這里使用單穩態/非穩態多諧振蕩器IC CD4047來產生開關脈沖。該 IC 工作功耗低,采用 14 引腳雙列直插式封裝。在引腳 13 處,引腳 10 處的振蕩的 1/2 作為 Q,引腳 11 處的振蕩作為 Q',提供最大振蕩輸出 F。每個輸出引腳的占空比為 50%。
光伏逆變器電路圖二
直接電源是一種在電路內部沿一個方向運行的電源,在無電時有助于提供電流。當沒有交流電源插座時,我們無法給逆變器電池充電并獲得高壓輸出。在這里,我們設計了一種基于光伏的逆變器電路,其元件易于獲得,可以封裝為手持式逆變器。在該電路中,12 伏/20 瓦電池板用于獲得輸入偏置,當暴露在開放的陽光下時,它在 1600 mA 時提供 12 伏的峰值。
現在CD4047 IC已連接并配置為非穩態多諧振蕩器,當我們打開SPST開關時,該電路開始振蕩。這里輸出Q和Q'直接饋入開關功率MOSFET IRF540,并驅動X1變壓器次級繞組。電流流動發生在特定的持續時間內,并且不持續特定的持續時間。于是感應出變化的電磁鐵,初級繞組線圈產生電動勢,從而得到交流電輸出。輸出電壓/頻率會根據繞組數量和開關頻率而變化。
聯系方式:鄒先生
聯系電話:0755-83888366-8022
手機:18123972950(微信同號)
QQ:2880195519
聯系地址:深圳市福田區金田路3037號金中環國際商務大廈2109
請搜微信公眾號:“KIA半導體”或掃一掃下圖“關注”官方微信公眾號
請“關注”官方微信公眾號:提供 MOS管 技術幫助
免責聲明:本網站部分文章或圖片來源其它出處,如有侵權,請聯系刪除。
