0,Q2關斷,充電電流從二極管D流入,Q1開啟;右圖在控制端從高電平往低電平切換時,G極電平不會瞬間變化,此時Vbe<-0.7V,Q2導通,Q2快速將電荷從G極汲取走,使G極電平快速下降,達到Q1快速關斷的目的。" />
MOS管快速關斷,加速mos管關斷電路-KIA MOS管
信息來源:本站 日期:2024-07-02
提高驅動電流能力
直接用單片機IO口驅動來實現MOS管快速開關太困難了,畢竟單片機IO口驅動能力實在有限。選用兩個三極管搭建推挽輸出驅動電路是個成本較低的不錯選擇。
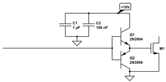
PNP加速關斷驅動電路
如圖使用PNP加速NMOS關斷,開啟時電流通過二極管D,關斷時則利用PNP三極管主動從G極汲取電流。
下圖展示了PNP加速NMOS關斷的動態過程電流流向。左圖在控制端從低電平往高電平切換時,Vbe>0,Q2關斷,充電電流從二極管D流入,Q1開啟;右圖在控制端從高電平往低電平切換時,G極電平不會瞬間變化,此時Vbe<-0.7V,Q2導通,Q2快速將電荷從G極汲取走,使G極電平快速下降,達到Q1快速關斷的目的。
PNP加速關斷電路是目前應用最多的電路,在加速三極管的作用下可以實現瞬間的柵源短路,從而達到最短的放電時間。之所以加二極管,一方面是保護三極管基極,另一方面是為導通電流提供回路及偏置。
該電路的優點為可以近似達到推拉的效果,加速效果明顯。缺點是柵極由于經過兩個PN節,不能使柵極真正的達到OV(GND),但電壓很低,不影響NMOS的完全關斷。
NPN加速關斷驅動電路圖
使用NPN加速PMOS關斷的電路,關斷時電流通過二極管D,導通時則利用NPN三極管主動往G極灌入電流。
下圖展示了NPN加速PMOS關斷的動態過程電流流向。左圖在控制端從高電平往低電平切換時,Vbe<0,Q1關斷,放電電流從二極管D流出,Q2開啟;右圖在控制端從低電平往高電平切換時,G極電平不會瞬間變化,此時Vbe>0.7V,Q1導通,Q1快速將電荷從G極灌入,使G極電平快速上升,達到Q2快速關斷的目的。
聯系方式:鄒先生
聯系電話:0755-83888366-8022
手機:18123972950(微信同號)
QQ:2880195519
聯系地址:深圳市福田區金田路3037號金中環國際商務大廈2109
請搜微信公眾號:“KIA半導體”或掃一掃下圖“關注”官方微信公眾號
請“關注”官方微信公眾號:提供 MOS管 技術幫助
免責聲明:本網站部分文章或圖片來源其它出處,如有侵權,請聯系刪除。
