電動機正反轉控制接線圖,接線方法分享-KIA MOS管
信息來源:本站 日期:2024-07-04
三相異步電機是靠同時接入380V三相交流電流(相位差120度)供電的一類電動機,由于三相異步電動機的轉子與定子旋轉磁場以相同的方向、不同的轉速成旋轉,存在轉差率,所以叫三相異步電動機。
當電動機的三相定子繞組(各相差120度電角度),通入三相對稱交流電后,將產生一個旋轉磁場,該旋轉磁場切割轉子繞組,從而在轉子繞組中產生感應電流(轉子繞組是閉合通路),載流的轉子導體在定子旋轉磁場作用下將產生電磁力,從而在電機轉軸上形成電磁轉矩,驅動電動機旋轉,并且電機旋轉方向與旋轉磁場方向相同。
三相異步電動機的基本接線:
三相異步電動機繞組出來的六根線可以分為兩種最基本的接法:三角形△接法和星形接法。
六根線=三個電機繞組=三個首端+三個尾端,萬用表測量同繞組首尾端相通,即:U1—U2,V1—V2,W1—W2。
電動機反轉的方法是在正轉線路的基礎上,改變通入電動機定子繞組的任意兩相電源相序的方法。
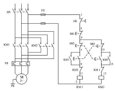
如圖所示為了使三相異步電動機能夠進行正轉和反轉,一般采用兩個接觸器KM1、KM2換接電動機三相電源的相序,但兩個接觸器不能吸合,如果同時吸合將造成電源的短路事故,為了防止這種事故的發生,一般在電路中應采取可靠的互鎖。
一、正在開展工作:
1、合上空氣開關QF并接通三相電源
2、當我們按下正向啟動按鈕SB3時,KM1通電吸合并自鎖,主觸頭閉合并接通電動機,電動機這時的相序是L1、L2、L3,也就是正向運行。
二、反向啟動:
1、合上空氣開關QF并且接通三相電源
2、按下反向啟動按鈕SB2后,KM2通電吸合并通過輔助觸點自鎖,常開主觸頭閉合并且換接了電動機三相的電源相序,這時電動機的相序是L3、L2、L1,也就是反向運行。
三、互聯網環節:具有禁止功能的線上路段,也能夠起到安全防護的作用
1、接觸器互鎖:當KM1線圈回路串入KM2的常閉輔助觸點時,KM2線圈回路串入KM1的常閉觸點。當正轉接觸器KM1線圈通電動作后,KM1的輔助常閉觸點斷開了KM2線圈回路,若想要使KM1得電吸合,必須先使KM2斷電釋放,才能使其輔助常閉觸頭復位,這也就防止了KM1、KM2同時吸合造成的相間短路,這一線路環節就是互鎖環節。
2、按鈕互鎖:就是在電路中采用了控制按鈕操作的正反傳控制電路的方法,按鈕SB2、SB3都有兩個常開觸點,兩個常閉觸點,這兩個觸點分別與KM1、KM2線圈的回路連接。比如按鈕SB2的常開觸點與接觸器KM2線圈進行串聯,而常閉觸點與接觸器KM1線圈回路進行串聯。按鈕SB3的常開觸點與接觸器KM1線圈進行串聯,而常閉觸點壓KM2線圈回路進行串聯。這樣當按下SB2時只能有接觸器KM2的線圈能夠進行通電而KM1斷電,按下SB3時只能有接觸器KM1的線圈能夠進行通電而KM2斷電,如果同時按下SB2和SB3則兩只接觸器線圈都不能通電。因此就發揮了互聯網的作用。
注意:KM1 和 KM2 線圈不能夠同時通電,否則容易引起主回路電源的短路。一旦錯誤運行,危險性就相當大了。
四、當電機正在向(或者反向)啟動運行時,不需要先按下停止按鍵,則可以直接按下反向(或者正向)啟動按鍵,因此讓電動機變成反方向運行。
五、電動機的過載保護由一般是由熱繼電器FR完成。
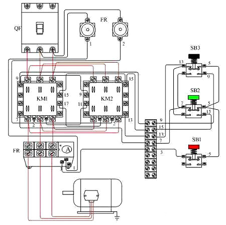
電動機可逆運行控制接線示意圖:
六、電動機可逆運行控制電路的調試
1、我們一般檢查主回路的接線是否正確,為了保證兩個接觸器動作時能夠可靠調換電動機的相序,接線時應使接觸器的上口接線保持一致,在接觸器的下口調相。
2、檢查接線無誤后,通電試驗,通電試驗時為防止意外,應先將電動機的接線斷開。
聯系方式:鄒先生
聯系電話:0755-83888366-8022
手機:18123972950(微信同號)
QQ:2880195519
聯系地址:深圳市福田區金田路3037號金中環國際商務大廈2109
請搜微信公眾號:“KIA半導體”或掃一掃下圖“關注”官方微信公眾號
請“關注”官方微信公眾號:提供 MOS管 技術幫助
免責聲明:本網站部分文章或圖片來源其它出處,如有侵權,請聯系刪除。
