大功率變壓器電路,原理圖,工作原理詳解-KIA MOS管
信息來源:本站 日期:2024-07-18
大功率變壓器是交流電源變換的一種,由一個或多個整流器、濾波器及大功率開關器件組成。在直流電壓的供電系統中,將交流電轉換為直流電的裝置稱為整流器;而在直流電壓的供電系統中,將直流電轉換為交流電的裝置就稱為濾波器。在大功率變壓器的內部結構中,除了上述兩部分之外還包含有保護電路、驅動控制電路和散熱等輔助部分。
變壓器的工作原理
基本的工作原理就是電磁感應現象和自激振蕩現象的結合體-即當線圈中的磁通發生變化時會產生感應電動勢的現象。
由于這種變化的磁場與變化的外界磁場的相互作用而產生電流的現象被稱為自激振蕩現象。因此可以說變壓器是由兩個相互的物理量所構成的一個閉合回路系統。
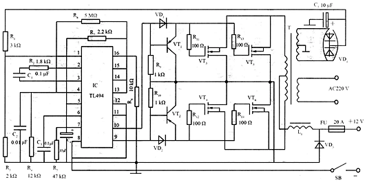
500W大功率變壓器電路
如圖為500W大功率變壓器電路原理。電路采用TL494為振蕩器,VT1~VT6為激勵級,是輸出為500W的大功率逆變電路。
TL494在該逆變器中的應用方法如下:
1、2腳構成穩壓取樣、誤差放大電路f逆變器次級繞組整流輸出的15V直流電壓作為取樣電壓,經R1、R3分壓,使1腳在逆變器正常工作時有近4.7~5.6V的取樣電壓。2腳輸入5V的基準電壓(由14腳輸出)。當輸出電壓降低時,1腳電壓降低,誤差放大器輸出低電平,通過TL494內部電路使輸出電壓升高。
300W電子變壓器電路
大功率電子變壓器電路
經過反復實驗這種電子變壓器的電流反應速度很快,已經超過了普通的工頻變壓器,該電路完全可以代替功放的電源。電子變壓器AC/DC有過電流限制保護功能適合電動自行車的電瓶充電。如果將幾個AC/DC并聯可以做成大功率的充電機。
聯系方式:鄒先生
聯系電話:0755-83888366-8022
手機:18123972950(微信同號)
QQ:2880195519
聯系地址:深圳市福田區金田路3037號金中環國際商務大廈2109
請搜微信公眾號:“KIA半導體”或掃一掃下圖“關注”官方微信公眾號
請“關注”官方微信公眾號:提供 MOS管 技術幫助
免責聲明:本網站部分文章或圖片來源其它出處,如有侵權,請聯系刪除。
