電路端接電阻方式,端接電阻的作用-KIA MOS管
信息來源:本站 日期:2024-09-02
1、串聯端接
串聯端接是一種簡單直接的方法,通過在發送端輸出端串聯一個電阻,使得輸出阻抗與電阻的總值等于傳輸線的特征阻抗,從而實現阻抗匹配,減少信號反射。然而,這種方法會影響信號的上升時間,尤其是在高速電路中,可能會導致問題。同時,電阻的分壓作用也會降低發送端的輸出。
2、并聯端接
當接收端的輸入阻抗較大時,可以采用并聯端接方式。通過在接收端并聯一個電阻到地或電源,使得接收端的等效阻抗等于傳輸線的特征阻抗,實現阻抗匹配。并聯端接簡單易行,但會消耗直流功率。在上拉或下拉的情況下,還能分別提高驅動能力和對電流的吸收能力。
3、戴維寧端接
戴維寧端接結合了上拉電阻和下拉電阻,形成一個等效阻抗等于傳輸線特征阻抗的端接電路。這種方式的優點在于,上拉和下拉電阻都能有效吸收反射,同時在電路無信號時能為電路提供直流電平,適用于總線應用。然而,由于電阻的存在,直流功耗較大。
4、RC網絡端接
RC網絡端接是并聯端接的改進版,通過在并聯到地的電阻下方增加一個電容,實現了直流隔離,減小了直流功耗。同時,RC網絡仍能保持與并聯端接相似的反射減小效果。但需要注意的是,RC網絡的時間常數會影響信號的上升時間,在高速電路中使用時需謹慎計算。
幾種端接方式的區別和優缺點
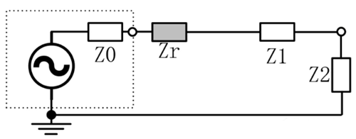
(1) 串聯端接
這是我們最容易想到也最常用的一種端接方式。發送端的輸出阻抗比較小,那么我們在電路上直接串聯一個電阻,使得輸出阻抗加上電阻阻值的總阻抗等于傳輸線阻抗,這樣就能保證阻抗的連續性,減小信號的反射。串聯端接實現比較簡單,缺點也比較明顯。由于線路中串聯了電阻,會影響信號的上升時間,這在高速電路中可能會引起問題。另外由于電阻的分壓,使得發送端輸出減小。串聯端接的電阻要放在盡量靠近發送端的位置,以便能發揮更好的作用。
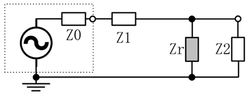
(2) 并聯端接
當接收端的輸入阻抗比較大時,我們可以考慮在接收端并聯端接一個電阻到地或者到電源。電阻的阻值等于走線的特征阻抗。通過這種方式實現阻抗匹配。這種方式和串聯端接一樣簡單易行,缺點是會消耗直流功率。上拉的時候能提高驅動能力,下拉的時候能提高對電流的吸收能力。
(3) 戴維寧端接
戴維寧端接就是采用上拉電阻和下拉電阻來共同組成端接電路,使得戴維寧等效阻抗等于傳輸線的特征阻抗以實現阻抗匹配。戴維寧端接的優點是上拉電阻和下拉電阻都能用來吸收反射,在電路上沒有信號的時候,還能夠為電路提供一個直流電平,適合總線應用。但是缺點也很明顯,那就是由于電阻的存在,在電源和地之間存在直流通路,直流功耗較大。
(4) RC 網絡端接
RC 網絡端接是并聯端接的升級版,就是在并聯到地的電阻下面再增加一顆電容。這樣既能夠和并聯端接一樣減小反射,同時由于電容的存在隔離了直流,減小了直流功耗。當然缺點也很明顯,RC 電路的時間常數會影響信號的上升時間,在高速電路使用中要仔細計算。
電路中如果阻抗不連續,就會造成信號的反射,引起上沖下沖、振鈴等信號失真,嚴重影響信號質量。所以在進行電路設計的時候阻抗匹配是很重要的考慮因素。
對我們的 PCB 走線進行阻抗控制已經不是什么高深的技術了,基本上是每個硬件工程師必備的基本能力。但在具體電路中,只考慮走線的阻抗還不夠。實際電路都是由發送端、連線和接收端共同組成的。我們希望做到的是整個鏈路的阻抗都一致。但是實際電路中很難做到這一點,一般發送端的輸出阻抗會比較小,而接收端的輸入阻抗又很高,那么要處理好這對矛盾,端接就成為一種很自然的手段。因此,端接的本質依然是阻抗匹配,這個是進行 PCB 設計的重中之重。
聯系方式:鄒先生
聯系電話:0755-83888366-8022
手機:18123972950(微信同號)
QQ:2880195519
聯系地址:深圳市福田區金田路3037號金中環國際商務大廈2109
請搜微信公眾號:“KIA半導體”或掃一掃下圖“關注”官方微信公眾號
請“關注”官方微信公眾號:提供 MOS管 技術幫助
免責聲明:本網站部分文章或圖片來源其它出處,如有侵權,請聯系刪除。
