運放電壓跟隨器電路,原理,作用詳解-KIA MOS管
信息來源:本站 日期:2024-09-09
電壓跟隨器可以定義為運算放大器電路的輸出直接跟隨運算放大器的輸入。所以輸入和輸出電壓是相同的。該電路不提供任何放大功能。因此,電壓增益相當于1。它也被稱為單位增益、緩沖和隔離放大器。該電路具有高輸入阻抗,因此可用于不同的電路中。電壓跟隨器使用輸入信號來提供有效的輸出隔離。基本圖如下所示。
電壓跟隨器的顯著特點是輸入阻抗高而輸出阻抗低。具體來說,輸入阻抗可以達到幾兆歐姆,而輸出阻抗通常只有幾歐姆,甚至更低。這種特性使得它在電路中能起到阻抗匹配的作用,使得后一級的放大電路更好地工作。
當輸入阻抗很高時,相當于對前級電路開路;而當輸出阻抗很低時,對后級電路就相當于一個恒壓源,即輸出電壓不受后級電路阻抗影響。因此,電壓跟隨器常用作中間級,以“隔離”前后級之間的影響,此時也稱之為緩沖級。
此外,電壓跟隨器還可以提高輸入阻抗,大幅度減小輸入電容的大小,為應用高品質的電容提供保證。其電壓放大倍數恒小于且接近1,因此輸出電壓會跟隨輸入電壓的變化而變化。
運放電壓跟隨器工作原理
運放電壓跟隨器的原理是利用運算放大器的高增益特性,實現輸入電壓與輸出電壓之間的線性關系。在理想情況下,輸出電壓與輸入電壓完全相等,即增益為1,因此得名“電壓跟隨器”。
一個典型的運放電壓跟隨器電路由一個運算放大器、兩個電阻器R1和R2組成。R1連接在運算放大器的反相輸入端(-)和輸出端之間,R2連接在運算放大器的非反相輸入端(+)和輸出端之間。這種配置使得運算放大器的輸出電壓與輸入電壓保持一致。
運放電壓跟隨器的作用
?阻抗變換?:運放電壓跟隨器具有高輸入阻抗和低輸出阻抗的特性,能夠實現阻抗變換。其輸出阻抗趨于零,使得輸出電壓不會受負載阻抗變化的影響,相當于恒壓源,可以提供負載所需的電流。
?緩沖和隔離?:由于運放電壓跟隨器的輸入阻抗高,它不會吸取前級電路的功率,因此常用于輸入或輸出級,起隔離緩沖的作用。這有助于信號不衰減地傳輸到負載。
?應用場景?:運放電壓跟隨器廣泛應用于需要高輸入阻抗和低輸出阻抗的場合,如在分壓器電路中,它可以幫助將電壓電平從一個電路切換和維持到另一個電路,保留電壓源的信號。
使用運算放大器741的電壓跟隨器電路圖一:
在使用運算放大器 741 的電壓跟隨器電路中,我們首先將輸入信號施加到 IC 的非反相引腳,同時反相引腳 2 作為負反饋與輸出引腳 6 連接。偏置引腳(引腳 7 和 4)是與電池連接,輸出連接到負載電阻。運算放大器IC 741的輸入阻抗較高,并且由于高輸入阻抗,它將從輸入源汲取非常低的電流,從而向負載提供高電流輸出。
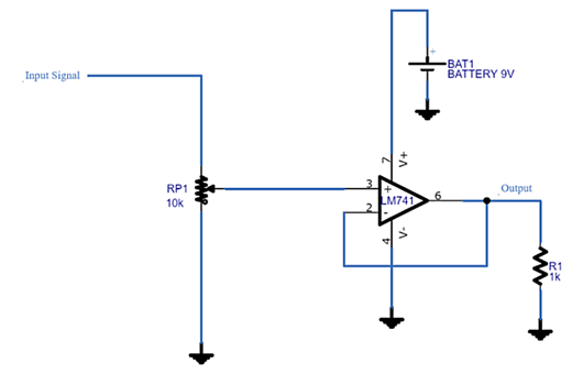
使用運算放大器741的電壓跟隨器電路圖二:
電路由幾個簡單的元件組成,其中主要元件是放大器IC LM741。該IC的主要功能是增強交流和直流信號并進行數學運算。
該電路很容易用最少的硬件構建。它使用IC LM741、10K可變電阻、通用1K歐姆電阻、電池和輸入信號源。
輸入施加到 IC 的非反相端子,而反相端子則與輸出耦合以實現負電壓反饋。可變電阻用于在 0-9V DC 之間改變輸入電壓,因為電路具有單位電壓增益。
聯系方式:鄒先生
聯系電話:0755-83888366-8022
手機:18123972950(微信同號)
QQ:2880195519
聯系地址:深圳市福田區金田路3037號金中環國際商務大廈2109
請搜微信公眾號:“KIA半導體”或掃一掃下圖“關注”官方微信公眾號
請“關注”官方微信公眾號:提供 MOS管 技術幫助
免責聲明:本網站部分文章或圖片來源其它出處,如有侵權,請聯系刪除。
