電流反饋和電壓反饋的判斷,電路反饋類型-KIA MOS管
信息來源:本站 日期:2024-09-12
電路反饋類型主要包括電壓反饋和電流反饋,以及串聯反饋和并聯反饋。此外,電路反饋還可以根據反饋的極性分為正反饋和負反饋,以及根據反饋信號是交流或直流分為交流反饋和直流反饋。
一個簡單直接的判斷方法:
先看反饋是否直接連到Uo輸出端(若不是直接從輸出端引出,則為電流反饋)。
再假設輸出電壓Uo為零,或者令負載電阻RL只兩端電壓為0,然后看反饋信號是否存在。
若反饋信號不存在了,說明反饋信號與輸出電壓成比例,是電壓反饋否則是電流反饋。
總結:
只有同時滿足兩個條件:反饋直接連到Uo輸出端;輸出電壓為零,或者負載電阻RL兩端電壓為0時,反饋信號不存在了,那就是電壓反饋。其他全都是電流反饋。
舉例說明:
反饋引出點和輸出點不直接相連,電流反饋。
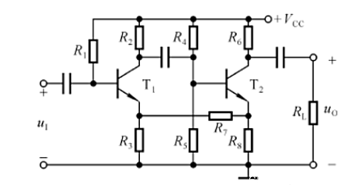
反饋連到Uo輸出端,但是令負載電阻RL兩端電壓為0時,依然有反饋,所以是電流反饋。
電壓反饋
這是電壓反饋,因為該電路兩個條件均滿足:反饋直接連到輸出端,并且Uo=0時,反饋也是0。
反饋不是直接連到輸出端,電流反饋。
電路反饋類型的判斷
電壓反饋還是電流反饋:
若輸出端的反饋取樣點跟輸出電壓u0的正極在同一點的話就是電壓反饋,不在同一點的話就是電流反饋。
串聯反饋還是并聯反饋:
在輸入端,如果反饋信號和輸入信號ui的正極接在同一輸入端就是并聯反饋,否則就是串聯反饋。
正反饋還是負反饋:
判斷正負反饋是根據信號的瞬時相位來進行判斷的,反饋回路兩端的電壓極性同相為正,反相為負。
聯系方式:鄒先生
聯系電話:0755-83888366-8022
手機:18123972950(微信同號)
QQ:2880195519
聯系地址:深圳市福田區金田路3037號金中環國際商務大廈2109
請搜微信公眾號:“KIA半導體”或掃一掃下圖“關注”官方微信公眾號
請“關注”官方微信公眾號:提供 MOS管 技術幫助
免責聲明:本網站部分文章或圖片來源其它出處,如有侵權,請聯系刪除。
