dcdc原理,工作原理,dcdc原理圖分享-KIA MOS管
信息來源:本站 日期:2024-09-25
開關電源是一種高頻電能轉換裝置,主要利用開關器件(MOSFET/晶體管),通過周期性控制開關器件的開關,實現對輸入電壓的脈沖調制,實現電壓變換、自動穩壓功能。
DCDC轉換器是輸入、輸出電壓類型均為直流的一種開關電源;是一種在直流電路中將一個電壓值的電能轉換成另一個電壓值的電能轉換裝置。
舉例:DCDC轉換器可以將一個5.0V直流電壓轉換成1.5V/12.0V直流電壓。
DCDC轉換器類型分為:Buck降壓型、Boost升壓型、Buck-boost降壓升壓型。
(1)BUCK降壓
狀態一:當S1閉合時,輸入的能量從電容 C1,通過 S1—>電感器 L1—>電容器 C2—>負載 RL供電,此時電感器 L1 同時也在儲存能量,可以得到加在 L1上的電壓為: Vin-Vo=L*di/dton。
狀態二:當 S2 關斷時,能量不再是從輸入端獲得,而是通過續流回路,從電感器 L1 存儲的能量—>電容 C2—>負載 RL—>二極管 D1,此時可得式子: L*di/dtoof= Vo,最后我們可以得出 Vo/Vin=D,而 Vo 永遠是小于 Vin 的,因為占空比 D≤1。
各個件的作用:
輸入電容器(C1) 用于使輸入電壓平穩;
輸出電容器(C2) 負責使輸出電壓平穩;
二極管(D1) 在開關開路時為電感器提供一條電流通路;
電感器(L1) 用于存儲即將傳送至負載的能量;
(2)BOOST升壓
下圖是升壓轉換器(Boost)的拓撲結構,電感 L是一個儲能元件,當開關管導通的時候,輸入的電壓對電感充電,形成的回路是:輸入 Vi—>電感L—>開關管 Q;當開關管關斷時,輸入的能量和電感能量一起向輸出提供能量,形成的回路是:輸入 Vi—>電感L—>二極管 D—>電容 C—>負載 RL,因此這時候輸出的電壓肯定就比輸入的電壓高,從而實現升壓。
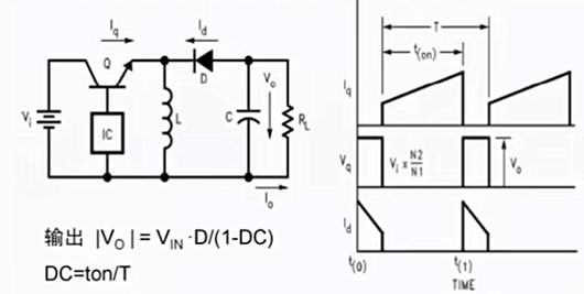
(3)BUCK-BOOST極性反轉升降壓型
狀態一: 開關管開通,二極管 D 反向截止,電感器儲能,電流回路為: 輸入 Vin —>開關管 Q—>電感器 L;
狀態二: 開關管關斷,二極管 D 正向導通續流,電流回路為:電感器 —>電容 C—>負載 RL—>二極管 D;
根據公式 Vo=VinxD/(1-D) 中知道,當D=0.5時,Vo=Vin:當D<0.5時,Vo<Vin(降壓);當D>0.5時,Vo>Vin(升壓)。這種拓撲結構我們很容易得到了負向的電壓,當某些場合不想用隔離變壓器拉抽頭的方式的時候我們可以用這種方式來實現負電壓。
聯系方式:鄒先生
座機:0755-83888366-8022
手機:18123972950(微信同號)
QQ:2880195519
聯系地址:深圳市龍華區英泰科匯廣場2棟1902
搜索微信公眾號:“KIA半導體”或掃碼關注官方微信公眾號
關注官方微信公眾號:提供 MOS管 技術支持
免責聲明:網站部分圖文來源其它出處,如有侵權請聯系刪除。
