雙電源功放電路圖,雙電源功放電路分享-KIA MOS管
信息來源:本站 日期:2024-10-11
雙電源互補對稱功率放大器(OCL電路)
OCL電路的電路結構如圖所示:
該電路主要由VT1(NPN型)和VT2(PNP型)和負載組成。它由兩組正負相等的電源供電。信號是Ui,從兩管的基極輸入,負載是Rl。VT1又稱上功率輸出管,而VT2又稱下功率輸出管。
工作原理:當信號電壓是正半周的時候,VT1正向導通,VT2截止,+VCC通過VT1的c-e結,流過負載,從而在負載上得到放大后的正半周信號;當信號電壓是負半周的時候,VT1截止,VT2正向導通,-VCC經負載與VT2的e-c結到負電源,從而在負載上獲得放大的負半周信號。正負半周信號在負載上合成全波。該電路之所以稱為互補對稱電路,是因為兩管交替工作,相互補充。
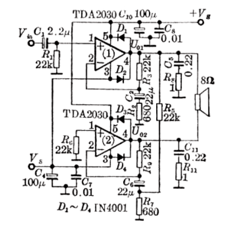
雙電源供電BTL音頻功放電路
雙電源供電 BTL 音頻功率放大器工作原理:用兩塊TDA2030組成如圖所示的BTL功放電路,TDA 2030(1)為同相放大器,輸入信號Vin通過交流耦合電容 CI 饋入同相輸入端①腳,交流閉環增益為 Kvc①=1+R3/R2≈R3/R2≈30dB。R3同時又使電路構成直流全閉環組態,確保電路直流工作點穩定。
聯系方式:鄒先生
座機:0755-83888366-8022
手機:18123972950(微信同號)
QQ:2880195519
聯系地址:深圳市龍華區英泰科匯廣場2棟1902
搜索微信公眾號:“KIA半導體”或掃碼關注官方微信公眾號
關注官方微信公眾號:提供 MOS管 技術支持
免責聲明:網站部分圖文來源其它出處,如有侵權請聯系刪除。
