MOS管驅動電機電路,電機正反轉電路分享-KIA MOS管
信息來源:本站 日期:2024-10-14
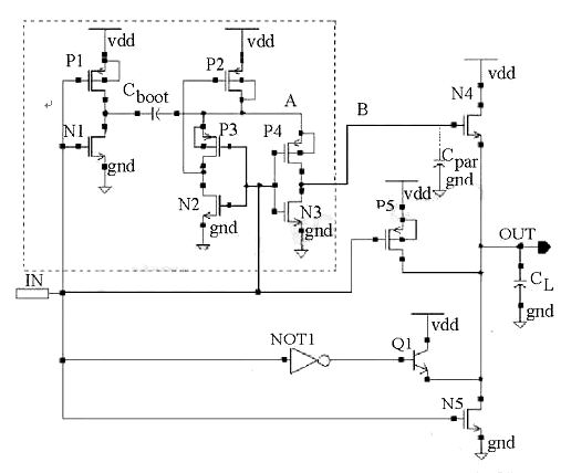
驅動電路采用Totem輸出結構設計,上拉驅動管為NMOS管N4、晶體管Q1和PMOS管P5。下拉驅動管為NMOS管N5。圖中CL為負載電容,Cpar為B點的寄生電容。虛線框內的電路為自舉升壓電路。
電路設計思想:利用自舉升壓結構將上拉驅動管N4的柵極(B點)電位抬升,使得UB》VDD+VTH ,則NMOS管N4工作在線性區,使得VDSN4 大大減小,最終可以實現驅動輸出高電平達到VDD。而在輸出低電平時,下拉驅動管本身就工作在線性區,可以保證輸出低電平位GND。因此無需增加自舉電路也能達到設計要求。
驅動方案是雙繼電器+NMOS的驅動方式,選取的繼電器是一款SPDT(單刀雙擲)繼電器。
1、當DO1為低電平(0V)、DO2為高電平時(5V)、同時PWM1端輸入10V左右的直流電壓時(MOS管導通),繼電器K1動作(接點A2與A1接通)。K2不動作(接點B2仍與B3接通),回路中的電流從A1-A2-負載電機端-B2-B3-MOS管的D-S直到GND,電機正轉。
2、反之,當DO1為高電平(5V)、DO2為低電平時(0V)、同時PWM1端輸入10V左右的直流電壓時(MOS管導通),繼電器K1不動作(接點A2與A3接通)。K2動作(接點B2與B1接通),回路中的電流從B1-B2-負載電機端-A2-A3-MOS管的D-S直到GND,電機反轉。
3、當DO1、DO2同為低電平(0V),且PWM1端輸入低電平0V時(MOS管關斷),電機停轉,且電機通過B2-B3-A3-A2的電流回路釋放電機停轉瞬間產生的感應電流(電機為感性負載)。
4、當PWM1端輸入的不是一個直流電壓,而是幅值10V且占空比為0-100%的PWM脈沖時,可用于電機的調速控制。
注:
1、圖中的D1、D2二極管作為繼電器的線圈關斷時,使感應電流形成泄放回路的保護器件;
2、MOS管G極的10R電阻用于調節MOS管的開通速度,電阻越大開通速度越慢,越小開通速度越快,MOS管GS端的10K電阻用于保證MOS在G級未給驅動的狀態下,處于有效截止狀態下,防止MOS管誤觸發。
器件選型:
1、繼電器與MOS的選型需要參考電機的額定功率/容量,繼電器的接點電壓需要≥電機額定電壓的1.2倍,接點電流需要≥電機額定電流的3倍;另MOS管的VDS至少需要≥電機額定電壓的2倍,ID至少需要≥電機額定電電流的4-5倍(電機突然啟動時,瞬間電流是約為額定電流的3倍左右),在此基礎上,選擇RDS越小的MOS管,管子的發燙量會越低,價格會相對昂貴,需要綜合評估。
聯系方式:鄒先生
座機:0755-83888366-8022
手機:18123972950(微信同號)
QQ:2880195519
聯系地址:深圳市龍華區英泰科匯廣場2棟1902
搜索微信公眾號:“KIA半導體”或掃碼關注官方微信公眾號
關注官方微信公眾號:提供 MOS管 技術支持
免責聲明:網站部分圖文來源其它出處,如有侵權請聯系刪除。
