dc-dc升壓電路,dcdc升壓電路圖工作原理-KIA MOS管
信息來源:本站 日期:2024-11-25
DC-DC升壓電路是一種電路類型,主要用于將較低的直流電壓轉換為較高的直流電壓。DC-DC升壓電路主要是增加電源的電壓。這種電路在電源管理、電池供電設備以及其他需要電壓調節的場合中非常常見。
Boost升壓電路工作原理
升壓電路(也稱為自舉電路或boost電路)的工作原理主要基于電感和電容的特性,以及開關元件(如MOS管)的控制。其作用是將低電壓的輸入信號轉換成高電壓的輸出信號。
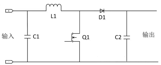
如下圖所示:
在MOS管導通時,輸入電壓為電感充電,電流在電感中線性增加。此時,電感儲存能量,而負載由電容供電。當MOS管關閉時,電感的電流保持不變(由于電感的電流保持特性),這時電感釋放儲存的能量,與輸入電壓一起為電容充電,并向負載提供能量。這樣,輸出電壓可以高于輸入電壓,實現升壓效果。
在這個過程中,開關管的開關頻率、占空比以及變壓器的匝數比等參數,都會對輸出電壓的大小和穩定性產生影響。因此,在設計DC-DC升壓電路時,需要根據實際需求選擇合適的參數,并進行精確的調整和優化。
關鍵組件
開關管:開關管是DC-DC升壓電路中的核心元件,其性能直接影響到電路的輸出電壓和效率。常用的開關管包括MOSFET、IGBT等,需要根據實際應用場景選擇合適的類型。
電感/變壓器:變壓器用于將輸入的直流電壓轉換為高頻脈沖電壓,是實現升壓功能的關鍵部件。在設計變壓器時,需要考慮其匝數比、磁芯材料以及繞線方式等因素。
整流器和濾波器:整流器用于將高頻脈沖電壓轉換為直流電壓,而濾波器則用于去除直流電壓中的紋波,使其更加穩定。常用的是整流二極管。
下面構建一個 1.5V 至 5V DC-DC 升壓轉換器,構建 DC-DC 升壓 電路所需要的組件:
1.5V 直流電源
180uH 電感一個
1個1N3491 二極管
1個33uF 電容
一個 150 Ω 電阻
一個 MOSFET或JFET 開關晶體管
PWM 源,如Arduino Uno或555 定時器,可生成 50KHz、5V、75% 占空比
DC-DC升壓電路原理圖
如上圖所示是一種穩壓型直流升壓電路。該電路可將一節1.5V的電池升壓至9V,用來取代9V疊層電池使用。電路空載輸入電流低于1.2mA,轉換效率高達60%。該電路由振蕩電路和穩壓電路構成,其中VT1、VT2、C2組成振蕩器,色碼電感L為儲能電感,VD2為整流二極管,C3為輸出濾波電容,VT3、VD1、VD3及R2為穩定輸出電壓的穩壓電路。輸出電壓約等于VD3的穩壓值。
聯系方式:鄒先生
座機:0755-83888366-8022
手機:18123972950(微信同號)
QQ:2880195519
聯系地址:深圳市龍華區英泰科匯廣場2棟1902
搜索微信公眾號:“KIA半導體”或掃碼關注官方微信公眾號
關注官方微信公眾號:提供 MOS管 技術支持
免責聲明:網站部分圖文來源其它出處,如有侵權請聯系刪除。
