直流升壓斬波電路,直流升壓斬波電路原理-KIA MOS管
信息來源:本站 日期:2024-12-03
直流升壓斬波電路用于將輸入直流電壓升至一個較高的輸出電壓。
電路結構:由一個開關器件、二極管、儲能電感和濾波電容組成。
工作原理:當開關導通時,輸入電壓通過電感為電感儲能,電感電流逐漸增大,電感中儲存的能量增多,二極管反偏截止,電容向負載供電。
當開關關斷時,電感上的電流通過二極管向負載和電容供電,電感釋放能量,輸出電壓為輸入電壓和電感電壓之和,達到升壓的效果。
通過調整開關的導通時間(占空比)可以控制輸出電壓。
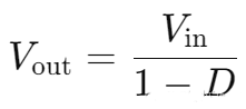
輸出電壓公式:
其中,D為占空比,范圍為0<D<1.
升降壓斬波電路原理
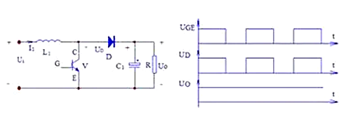
如圖所示:升壓斬波電路原理圖及波形圖,電路使用一個全控型器件V。由圖中V的柵極電壓波形UGE可知,當V處于通態時,電源Ui向電感L1充電,充電電流基本恒定為I1,同時電容C1上的電壓向負載供電,因C1值很大,基本保持輸出電壓UO為恒值。
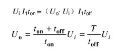
設V處于通態的時間為ton,此階段電感L1上積蓄的能量為Ui*I1*ton。當V處于斷態時Ui和L1共同向電容C1充電,并向負載提供能量。設V處于斷態的時間為toff,則在此期間電感L1釋放的能量為(UO-Ui)*I1*toff。
當電路工作于穩態時,一個周期T內電感L1積蓄的能量與釋放的能量相等,即:
上式中的T/toff≥1,輸出電壓高于電源電壓,故稱該電路為升壓斬波電路。
聯系方式:鄒先生
座機:0755-83888366-8022
手機:18123972950(微信同號)
QQ:2880195519
聯系地址:深圳市龍華區英泰科匯廣場2棟1902
搜索微信公眾號:“KIA半導體”或掃碼關注官方微信公眾號
關注官方微信公眾號:提供 MOS管 技術支持
免責聲明:網站部分圖文來源其它出處,如有侵權請聯系刪除。
