漏極開路門電路符號原理,OD門-KIA MOS管
信息來源:本站 日期:2024-12-06
OD門(Open Drain Gate)是一種數字電路中的邏輯門,其輸出端可以被拉低,但無法被拉高,只能在高阻態時不輸出電信號。OD門通常由一個開漏輸出的晶體管和一個輸入端組成,可以實現與門、或門、非門等邏輯運算。
工作原理
OD門的輸出端可以通過上拉電阻或上拉電源拉高,從而實現高低電平轉換。與OC門(Open Collector Gate)類似,OD門的輸出端也可以被多個門并聯連接,形成開關電路,控制外部器件的工作。OD門適用于既可以輸出高電平又可以輸出低電平的應用場合,如數字信號的放大、隔離、反相、驅動等。
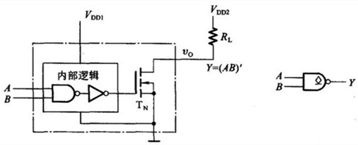
漏極開路的與非門:
漏極開路門(OD門)
漏極開路:指CMOS門電路的輸出電路只有NMOS管,并且漏極通常接VDD(中間一個上拉電阻Rp)。
將OD門的輸出端直接連接,即可實現OD門之間的與運算。連接圖如下所示:
將上圖用表示漏極開路的與非邏輯符號圖來表示:
OD門的作用:
1、在實現線與的同時,避免了大電流的出現。
2、實現輸出電平的變換(邏輯非功能)。注意:不論高低電平輸出,電流均為流入。
3、驅動大電流負載。
聯系方式:鄒先生
座機:0755-83888366-8022
手機:18123972950(微信同號)
QQ:2880195519
聯系地址:深圳市龍華區英泰科匯廣場2棟1902
搜索微信公眾號:“KIA半導體”或掃碼關注官方微信公眾號
關注官方微信公眾號:提供 MOS管 技術支持
免責聲明:網站部分圖文來源其它出處,如有侵權請聯系刪除。
