應急電源電路,led應急燈電路原理圖-KIA MOS管
信息來源:本站 日期:2025-06-17
led應急燈在正常情況下,應急燈處于待機狀態,由電源供電。一旦正常供電中斷,應急燈會自動切換到備用電源上工作。備用電源通常為蓄電池或超級電容器。當主電源中斷后,應急燈通過電路檢測到信號,并將備用電源接通,使燈泡或led發光,以提供緊急照明。
為了實現自動切換和控制,應急燈通常配備了智能控制電路和傳感器。傳感器可以檢測到主電源故障,并發送信號給控制電路。控制電路根據接收到的信號,控制電源切換和燈光的開關。在正常供電恢復后,應急燈會自動切換回主電源,并恢復待機狀態進行充電。
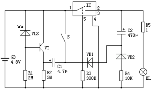
自動應急燈電路由光控燈電路、電子開關電路和延時照明電路組成。在白天或晚上有燈光時,光敏二極管VLS受光照射而呈低阻狀態,VT截止,IC內部的電子開關因⑤腳電壓為0V而處于關短狀態,EL不亮。此時整機的耗電極低。當夜晚光線由強逐漸變弱時,VLS的內阻也開始緩慢的增大,VT由截止轉入導通狀態,R2_ 上的電壓也逐漸增大,但由于C1的隔直流作用,此緩慢變化的電壓仍不能使IC的⑤腳電壓高于1.6V, 故EL仍不會點亮。
若晚上關燈或停電時,光線突然變得很弱,則VLS呈高阻狀態,VT迅速飽和導通,在R2_上產生較大的電壓降。由于C1.上電壓不能突變,故在IC的⑤腳上產生一個大于1.6V的觸發電壓,使IC內部的電子開關接通, EL通電點亮。與此同時, +4.8V電壓通過R3、VD1和IC對C2充電,以保證即使VT截止,IC的⑤腳仍會有1.6V 以上的電壓,IC內部的電子開關仍維持接通狀態,EL仍維持點亮。隨著C2的充電,IC的⑤腳電壓逐漸降低,當該電壓低于1.6V時,IC內部的電子開關關斷,EL熄滅,C2通過R5、EL、R4和VD2放電,為下次工作做準備。若將S接通,該應急燈可用于停電時的連續照明。
應急燈在某些情況下非常重要,傳統的應急燈采用熒光燈管作為光源,因此最多可提供2小時至3小時的照明。當我們使用白色 LED 代替熒光燈管時,它的發光時間大約可達 7 小時。
電路由降壓變壓器(9-0-9V)構成,降壓后的交流電壓由1安培橋式整流器(也可以使用橋式整流模塊)進行整流,與電阻R1連接的LED給出有關輸出直流電壓的狀態橋式整流器。通過使用正調節器 IC 7808,可以調節直流電壓,并將該調節后的電源饋入光傳感電路。光傳感電路使用普通的5mm LDR來檢測光線,該LDR 在感覺亮時提供低電阻,在感覺暗時提供高電阻,LDR 的感應電平可以通過VR1 10KΩ 可變電阻來改變。
在白天,LDR 允許通過它向 Q1 晶體管基極供電,因此 Q1 晶體管導通并將 MOSFET 柵極端子接地,從而使 LED 陣列與直流偏置接地電源斷開。當黑暗條件到來時,LDR 會阻止電流流過它,以便 Q1 晶體管基極接收不會導通晶體管的最小電壓。因此,Q1 晶體管保持關閉狀態,集電極和發射極之間沒有電流流動,發射極開路。 MOSFET 的柵極端沒有電壓,因此漏極和源極端子之間產生電流,從而使 LED 陣列發光,斷電時將電池(6 V,4.5Ah)跨接在偏壓上,由電池提供電源到電路。
聯系方式:鄒先生
座機:0755-83888366-8022
手機:18123972950(微信同號)
QQ:2880195519
聯系地址:深圳市龍華區英泰科匯廣場2棟1902
搜索微信公眾號:“KIA半導體”或掃碼關注官方微信公眾號
關注官方微信公眾號:提供 MOS管 技術支持
免責聲明:網站部分圖文來源其它出處,如有侵權請聯系刪除。
