【電路精選】555集成電路圖文分享-KIA MOS管
信息來源:本站 日期:2022-07-22
555集成電路控制方式比較簡單,使用可靠、壽命長,是一種價格低、體積小、便于自制的光電控制開關電路。可用于工業生產和家用電器等的控制。
555集成電路從開始是作定時器應用的,所以又叫555時基電路或555定時器。經過后來不停的開發,功能延伸到了調光,調速,調溫等多種領域。因為其簡單,方便,可靠,所以目前被廣泛用于各種電子產品中。
下面是幾種555常見經典電路圖。
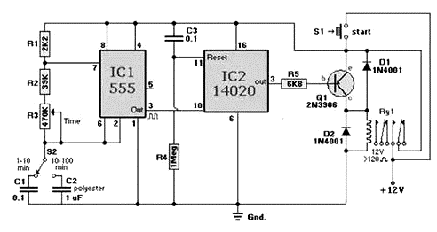
圖1. 1-100分鐘定時器電路
圖2. 用555電路組成的DC-AC定時器
圖3. 555測試電路
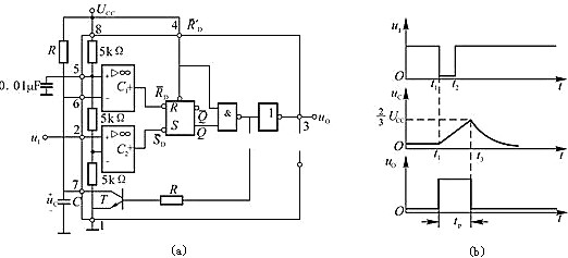
555定時器單穩態觸發器電路
圖(a)所示為用555定時器構成的單穩態觸發器,R、C為外接元件,觸發脈沖u1由2端輸入。5端不用時一般通過0.01uF電容接地,以防干擾。
(1) 穩態
接通電源后,經R給電容C充電,當uc上升到大于時,基本RS觸發器復位,輸出u0=0。同時,晶體管T導通,使電容C放電。此后uc則u0保持0狀態。電路將一直處于這一穩定狀態。
(2) 暫穩態
在t=t1瞬間,2端輸入一個負脈沖,即u1在t=t2時刻,觸發負脈沖消失若ucD=1,/SD=1,基本RS觸發器保持原狀態,u0仍為高電平。
在t=t3時刻,當uc上升略高于時,/RD=0,/SD=1,基本RS觸發器復位,輸出u0=0,回到初始穩態。同時,晶體管T導通,電容C通過T迅速放電直至uc為0。這時/RD=1,/SD=1,電路為下次翻轉做好了準備。
輸出脈沖寬度tp為暫穩態的持續時間,即電容C的電壓從0充至所需的時間。
聯系方式:鄒先生
聯系電話:0755-83888366-8022
手機:18123972950
QQ:2880195519
聯系地址:深圳市福田區車公廟天安數碼城天吉大廈CD座5C1
請搜微信公眾號:“KIA半導體”或掃一掃下圖“關注”官方微信公眾號
請“關注”官方微信公眾號:提供 MOS管 技術幫助
免責聲明:本網站部分文章或圖片來源其它出處,如有侵權,請聯系刪除。
