VDD+0.7V時候,D2導通;而當該點電壓<-0.7V時,D1導通。因此,該點電壓被鉗位在-0.7V與VDD+0.7V 之間。" />
二極管電路:整流、鉗位保護、防反接、續流-KIA MOS管
信息來源:本站 日期:2023-08-01
二極管的一個主要特征是單向導電性,利用二極管的單向導電性可以實現整流、鉗位保護、防反接、續流等。
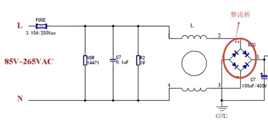
1、整流作用:利用單向導電性把交流電轉換為直流電,用四個二極管首尾相連接直接集成到一個IC上制作成橋堆。
2、鉗位保護電路:由兩個二極管反向串聯組成,兩個二極管首尾連接部位是受保護的節點。以1N4148為例,當該點的電壓>VDD+0.7V時候,D2導通;而當該點電壓<-0.7V時,D1導通。因此,該點電壓被鉗位在-0.7V與VDD+0.7V 之間。
3、防反接電路:利用了一個保險絲或者0歐姆電阻以及反向并聯的二極管D2,電路正常工作時,二極管反向截止不導通,同時保險絲不會被熔斷;當輸入端正負極接反時候,D2導通,此時的電流很大,保險絲熔斷,電路被切斷,后面的電路被保護。
4、續流:繼電器在斷開時候會產生一個很大反向電動勢,這個反電勢會對繼電器造成破壞,并聯一個二極管可以吸收這個反電勢,起到續流作用。
利用二極管的單向導電性還有很多,比如檢波、穩壓等。可以說二極管除了電阻和電容基本上用到比較多的一個元器件。
聯系方式:鄒先生
聯系電話:0755-83888366-8022
手機:18123972950
QQ:2880195519
聯系地址:深圳市福田區金田路3037號金中環國際商務大廈2109
請搜微信公眾號:“KIA半導體”或掃一掃下圖“關注”官方微信公眾號
請“關注”官方微信公眾號:提供 MOS管 技術幫助
免責聲明:本網站部分文章或圖片來源其它出處,如有侵權,請聯系刪除。
