與門電路原理圖,與門電路圖-KIA MOS管
信息來源:本站 日期:2024-03-04
門電路是數字電路中最基本的邏輯單元。最基本的門電路有與門電路,或門電路,非門電路等。
與門又稱“與電路”、邏輯“積”、邏輯“與”電路。是執行“與”運算的基本邏輯門電路。有多個輸入端,一個輸出端。當所有的輸入同時為高電平(邏輯1)時,輸出才為高電平,否則輸出為低電平(邏輯0)。其二輸入與門的數學邏輯表達式:Y = AB,對應的真值表如下:
與門的實現方法包括使用CMOS邏輯、NMOS邏輯、PMOS邏輯以及二極管實現等。
與門電路的基本結構和邏輯符號見下圖:
在與門電路功能示意圖中,只有在開關A和B都閉合時,燈才會亮,如果A和B中任意一個處于開路狀態,燈就不會亮。
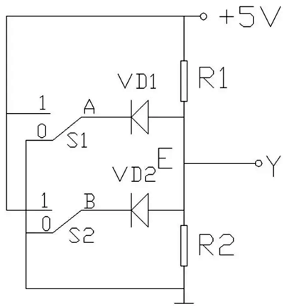
由二極管和電阻器構成的與門電路見下圖:
圖中A,B為兩個輸入變量,F為輸出變量,當A,B均為高電平,F為高電平,A,B只要有一個為低電平,F就為低電平。
如圖所示,是由二極管和電阻構成的電路,其中A、B為輸入端,S1、S2為開關,Y為輸出端,單的+5V電壓經R1、R2分壓,在E點得到+3V電壓。
當S1、S2均撥至位置“2”時,A、B端對地電壓都為0V,由于E點電壓(注:各點電壓均指該點對地電壓。以下同)為3v,所以二極管VD1、VD2都導通,E點電壓馬上下降到0.7V,Y端輸出電壓為0.7V。
當S1撥至位置“2”、S2撥至位置“1”時,A端電壓為0V,B端電壓為5V,由于E點電壓為3V,所以二極管vD1馬上導通,E點電壓下降到07V,此時VD2正端電壓為0.7V,負端電壓為5V,VD2處于截止狀態,Y端輸出電壓為0.7V。
當S1撥至位置“1”、S2撥至位置“2”時,A端電壓為5V,B端電壓為0v,VD2導通VD1截止,E點為0.7V,Y端輸出電壓為0.7V。
當S1、S2均撥至位置“1”時,A、B端電壓都為5V,VD1、VD2均不能導通,E點電壓為3V,Y端輸出電壓為3V。
為了分析方便,在數字電路中通常將0~1V范圍的電壓規定為低電平,用“0”表示,將3-5V范圍的電壓稱為高電平,用“1”表示。根據該規定,可將與門電路工作原理簡化如下
當A=0、B=0時,Y=0;
當A=1、B=0時,Y=0;
當A=0、B=1時,Y=0;
當A=1、B=1時,Y=1。
由此可見,與門電路的功能是:只有輸入端都為高電平時,輸出端才會輸出高電平;只要有一個輸入端為低電平,輸出端就會輸出低電平。
聯系方式:鄒先生
聯系電話:0755-83888366-8022
手機:18123972950(微信同號)
QQ:2880195519
聯系地址:深圳市福田區金田路3037號金中環國際商務大廈2109
請搜微信公眾號:“KIA半導體”或掃一掃下圖“關注”官方微信公眾號
請“關注”官方微信公眾號:提供 MOS管 技術幫助
免責聲明:本網站部分文章或圖片來源其它出處,如有侵權,請聯系刪除。
