電壓反饋詳解,電壓反饋和電流反饋判斷-KIA MOS管
信息來源:本站 日期:2024-04-22
電壓反饋(voltagefeedback-VFB),在模擬電路中,若反饋量與輸出電壓(有時不一定是輸出電壓,而是取樣處的電壓)成正比則為電壓反饋;若反饋量與輸出電流(有時不一定是輸出電流,而是取樣處的電流)成正比則為電流反饋。
對于交流反饋,根據反饋信號在放大電路輸出端采樣方式的不同進行分類,可以分為電壓反饋和電流反饋。若反饋信號是從輸出電壓采樣而得,反饋信號與輸出電壓成正比,則稱為電壓反饋;若反饋信號是從輸出電流采樣而得,反饋信號與輸出電流成正比,則稱為電流反饋。
在判斷電壓反饋和電流反饋時,一般可以采用負載短路法。負載短路法實際上是一種反向推理法,假設將放大電路的負載電阻RL短路,此時,若輸入回路中仍然存在反饋量,即則為電流反饋;若輸入回路中已不存在反饋,即則為電壓反饋。
一個簡易的判斷方法:
先看反饋是否直接連到Uo輸出端(若不是直接從輸出端引出,則為電流反饋)
再假設輸出電壓Uo為零,或者令負載電阻RL兩端電壓為0,然后看反饋信號是否存在。
若反饋信號不存在了,說明反饋信號與輸出電壓成比例,是電壓反饋。
否則是電流反饋。
電壓反饋和電流反饋判斷例子
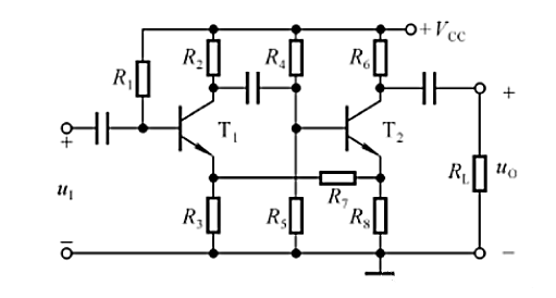
反饋引出點和輸出點不直接相連,電流反饋
反饋連到Uo輸出端,但是令負載電阻RL兩端電壓為0時,依然有反饋,所以是電流反饋。
下面這個是電壓反饋。
這是電壓反饋,因為該電路兩個條件均滿足:反饋直接連到輸出端,并且Uo=0時,反饋也是0
反饋不是直接連到輸出端,電流反饋
雖然反饋直接連到輸出端(或者你認為Rf反饋電阻構成的電路不是直接連到Uo),但是設令負載電阻RL兩端電壓為0,反饋信號依然存在,是電流反饋。
總結:只有同時滿足兩個條件:反饋直接連到Uo輸出端,輸出電壓為零,或者負載電阻RL兩端電壓為0時,反饋信號不存在了,那就是電壓反饋。
其他全部都是電流反饋。
聯系方式:鄒先生
聯系電話:0755-83888366-8022
手機:18123972950(微信同號)
QQ:2880195519
聯系地址:深圳市福田區金田路3037號金中環國際商務大廈2109
請搜微信公眾號:“KIA半導體”或掃一掃下圖“關注”官方微信公眾號
請“關注”官方微信公眾號:提供 MOS管 技術幫助
免責聲明:本網站部分文章或圖片來源其它出處,如有侵權,請聯系刪除。
