tl494驅動mos管電路,tl494功放電路圖-KIA MOS管
信息來源:本站 日期:2024-10-22
采用雙端驅動集成電路-TL494輸的PWM脈沖控制器設計小汽車中的音響供電電源,利用MOSFET管作為開關管,可以提高電源變壓器的工作效率,有利于抑制脈沖干擾,同時還可以減小電源變壓器的體積。
輸出部分在上下兩端各自采用N溝道MOSFET和P溝道MOSFET構成獨特的驅動方式來驅動,負載的另一側連接到半橋方式的電容器,因此具有整體電路簡單、工作狀態穩定、價格低廉等特點,應用于工作頻率低于10kHz、功率在15W~50W的工業用報警器時可提高產品的競爭力。
TL494開關功率放大器框圖
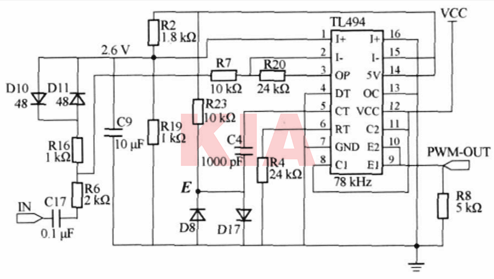
占空比調節電路
占空比是PWM信號調制時提高電壓利用率的關鍵。因為TL494是開關電源用集成芯片,所以在其內部把最小滯后時間設定為0.1V電壓。最大占空比在發射級輸出時約為96%。圖所示為輸入部分和PWM信號調制的部分電路。
當C4=1000pF,R4=24k時,工作頻率約為78kHz。如果沒有占空比調節電路D8、D17、R23,則因為內部滯后時間比較器的比較點為0.1V,所以最小導通時間約為1.52μs,最小占空比為D=1.52/13≈12%。
因此,PWM時電壓利用率將下降。如果使用D8、D17、R23,則會在鋸齒波發生用的電容器C4的E點產生0.82V的偏置電壓,把鋸齒波的起點從原來的0V提高到0.82V。
因此導通時間減小到0.64μs,最小占空比減小到D=0.64/13≈4.9%,可明顯地提高電壓利用率。
輸入信號壓縮電路
因為報警器的輸入信號變化范圍較大,所以需要將幅度較大的信號按一定比例壓縮。圖中,R6、R16、D10、D11構成輸入信號壓縮電路,其關鍵是利用了二極管的輸入特性。其中D10和D11并聯,可在正負兩個方向壓縮信號。
壓縮比取決于R6、R16的值,其值越大,壓縮比越大。調整R6、R16的值,設定壓縮信號的變化范圍為-0.82V~0.82V,則變化量是1.64V。鋸齒波電壓變化范圍是0.82V~3.25V,所以TL494內部誤差放大器的輸出信號變化范圍是2.43V。內部誤差放大器的增益取決于R7和R20,調整其值,當壓縮信號的變化量在1.64V時,將內部誤差放大器的輸出信號變化范圍設定為2.43V即可。警報器大都使用高音揚聲器,因此可大幅度降低振幅較大的低音。
MOSFET驅動電路
P溝道MOSFET采用IRF9540,具有最大工作電壓100V、最大工作電流18A、VGS電壓5V~15V時飽和等特性。N溝道MOSFET采用IRF540,具有最大工作電壓100V、最大工作電流27A、VGS電壓5V~15V時飽和等特性。驅動三極管Q3采用NPN型C8050,Q7采用PNP型C8550。這兩種驅動三極管都具有最大工作電壓30V、最大工作電流1A、VBE為12V的特性。
當A點的脈沖電壓為低時,電流通過穩壓二極管D7和三極管Q3的反偏形成VGS電壓,QH導通。當A點的脈沖電壓為高時,電流通過穩壓二極管D9和三極管Q7的反偏形成VGS電壓,QL導通。
其中脈沖電壓為低時,其電壓低于VL才能使QH導通,脈沖電壓為高時,其電壓高于VH才能使QL導通。從VL變化到VH需要一定時間,這時會出現QH和QL同時截止的狀態,因此,脈沖變化過程很安全。
QH和QL的VGS由下式決定:
15》VGS=VC-VD-VBE》5 (1)
式中:VGS為MOSFET的驅動電壓;VC為電源電壓;VD為穩壓管D7和D9的穩壓電壓(一般使用相同的穩壓管);VBE為C8050和C8550的反擊穿電壓。
脈沖電壓從低到高變化過程中,QH和QL同時截止的時間約為100~300ns。
輸出部分工作原理
輸出部分由QH、QL和L3、C8、C5、C7構成。輸出電壓經過L3、C8濾除高頻波后傳送到負載。一般在輸出端采用一個電解電容器,但本電路采用C5和C7構成半橋方式,然后將其中點連接到負載。這種連接方式的優點是兩個電容器既為輸出信號的傳送通路(此時電容值是兩個電容的并聯值),同時也對電源具有濾波作用(此時電容值是兩個電容的串聯值),而且把電容器的內壓降低一半。
聯系方式:鄒先生
座機:0755-83888366-8022
手機:18123972950(微信同號)
QQ:2880195519
聯系地址:深圳市龍華區英泰科匯廣場2棟1902
搜索微信公眾號:“KIA半導體”或掃碼關注官方微信公眾號
關注官方微信公眾號:提供 MOS管 技術支持
免責聲明:網站部分圖文來源其它出處,如有侵權請聯系刪除。
